lemon-mirror:
Home >> Mercedes Benz >> 2001 >> ML430 >> Repair and Diagnosis >> Electrical >> Charging Systems >> Generators & Regulators - 163 Chassis >> On-Vehicle Testing >> Diode Test

Diode Test

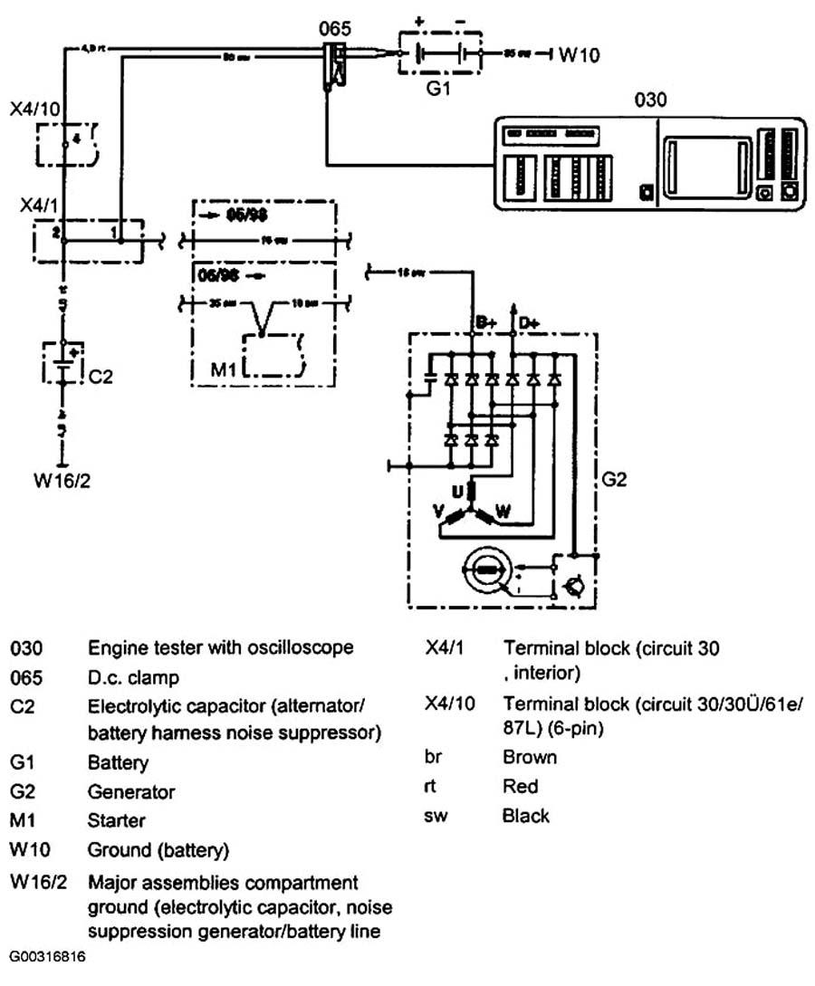
Connect DC clip-on probe from engine tester with oscilloscope to positive battery terminal. See Fig 1 . Start engine. Switch on low beam. Access diode test at 3000 RPM. See Fig 2 -Fig 4 . Replace generator as necessary.

Fig 1: Identifying Oscilloscope Connection
G00316816Courtesy of MERCEDES-BENZ OF NORTH AMERICA.
Fig 2: Identifying Oscilloscope Patterns (No Fault Indicated)
G00316725Courtesy of MERCEDES-BENZ OF NORTH AMERICA.
Fig 3: Identifying Oscilloscope Patterns (Positive Diode Defective)
G00316727Courtesy of MERCEDES-BENZ OF NORTH AMERICA.
Fig 4: Identifying Oscilloscope Patterns (Negative Diode Defective)
G00316728Courtesy of MERCEDES-BENZ OF NORTH AMERICA.