Purging Function - GF47.30-P-3015MMY
ENGINE 157.9, 276.8, 278.9 in MODEL 166
as of model year 2016
ENGINE 157.9, 276.8, 278.9 in MODEL 292
Schematic diagram of fuel tank aeration and ventilation (except code 494 (USA version))
Purging function requirements, general points
- Circuit 87M (engine management ON)
- Engine started for at least 45 s
- Coolant temperature > 40°C
- Engine not in deceleration mode
- Engine not in the lambda adaptation phase
Purging, general points
When the fuel tank is being ventilated, no fuel vapors should escape into the outside air.
The fuel vapors are stored in the activated charcoal canister and burnt later in the engine.
In order to enable the purging, the ME-SFI [ME] control unit (N3/10) reads in the following signals:
- Purging pressure sensor (B4/4), vacuum in wide open throttle vent line
- Coolant temperature sensor (B11/4), coolant temperature
- Charge air temperature sensor (B17/8), charge air temperature
- Pressure sensor downstream of throttle valve (B28/7), engine load
- Crankshaft Hall sensor (B70), engine rpm
- Left and right oxygen sensors upstream of catalytic converter (G3/3, G3/4), residual oxygen content
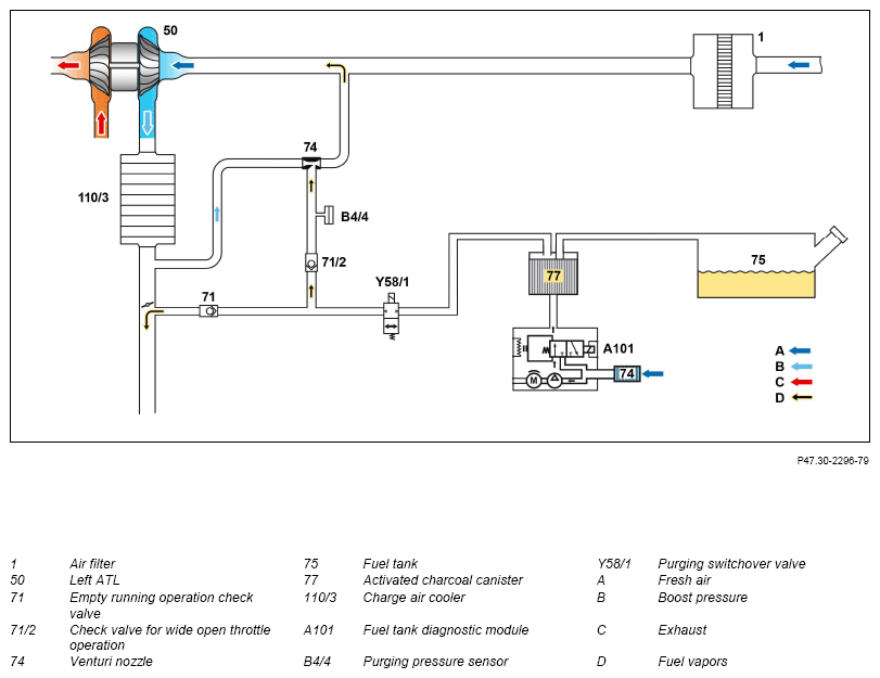
Ventilation of the fuel tank (operational ventilation) takes place for a running engine over the aeration/vent valves, the aeration/vent lines and the activated charcoal canister. The fuel vapors flow to the activated charcoal canister where they are stored and drawn off into the charge air distributor when purging is enabled.
To control the purge quantity, the ME-SFI [ME] control unit actuates the purging switchover valve at the ground end with a pulse width modulated signal at a frequency of 10 to Hz. The purge quantity is determined by continuously opening and closing the purging switchover valve with on-periods of varying durations.
The idle speed control prevents the purging from causing a change in rpm when the engine is at idle. The fuel/air mixture is leaned out depending on the level of fuel vapors load in the activated charcoal canister.
Function sequence for purging
The purging is described in the following points:
- Function sequence for neutral purging
- Function sequence for wide open throttle purging
Function sequence for neutral purging
When in idle operation, the fuel vapors stored in the activated charcoal canister are drawn off by the existing vacuum through the purging switchover valve, the idle operation check valve and the idle operation vent line behind the throttle valve before being combusted in the engine.
Function sequence for wide open throttle purging
Charging induces an overpressure behind the throttle valve in wide open throttle operation which prevents any extraction of the fuel vapors through the idle operation vent line. The idle operation check valve prevents any pressure buildup towards the activated charcoal canister.
If an overpressure occurs in wide open throttle operation, the fuel vapors are extracted over the wide open throttle operation check valve and the wide open throttle vent line. The vacuum required for this is generated by a Venturi nozzle. The fuel vapors are then routed over the wide open throttle vent line, ATL and the charge air cooler to the charge air distributor.
To check whether the wide open throttle purging can be enabled, the purging switchover valve is opened suddenly three times in succession. Pressure peaks of > 120 mbar must be registered here. The purging pressure sensor detects the existing pressure conditions in the wide open throttle vent line and sends a signal to the ME-SFI [ME] control unit.
Schematic diagram of purge system (except model 166.063)
Shown on engine 276.8 from top front
Shown on engine 278.9 from top front
| Electrical function schematic for purge control | PE47.30-P-2052-97NBB | ||
| Overview of system components for gasoline injection and ignition system with direct injection | ENGINE 276.8 in MODEL 166 (except 166.063) as of model year 2016 ENGINE 276.8 in MODEL 292 |
GF07.70-P-9998MMX | |
| ENGINE 157.9, 278.9 in MODEL 166 as of model year 2016 |
GF07.70-P-9998MNG | ||
| ENGINE 157.9, 278.9 in MODEL 292 ENGINE 276.8 in MODEL 166.063 as of model year 2016 |
GF07.70-P-9998MMM |