Purging Function - GF47.30-P-3015MND
Engine 276.8 in model 213, 238
up to model year 2021
Schematic diagram of fuel tank aeration and ventilation (except code 494 (USA version))
Purging function requirements, general points
- Circuit 87M (Engine management ON)
- Engine start before at least 60 to 80 s
- Coolant temperature > 40°C
- Engine not in deceleration mode
- Engine not in the lambda adaptation phase
Purging, general points
When the fuel tank is being ventilated, no fuel vapors should escape into the outside air.
The fuel vapors are stored in the activated charcoal canister and burnt later in the engine.
In order to enable the purging, the ME-SFI [ME] control unit (N3/10) reads in the following signals:
- Purging pressure sensor (B4/4) (for code 494 (USA version)), pressure in the wide open throttle purge line
- Coolant temperature sensor (B11/4), coolant temperature
- Charge air temperature sensor (B17/8)
- Pressure sensor downstream of throttle valve (B28/7), engine load
- Crankshaft Hall sensor (B70), engine rpm
- Left and right oxygen sensor, sensor elements upstream of catalytic converter (G3/3b1, G3/4b1)
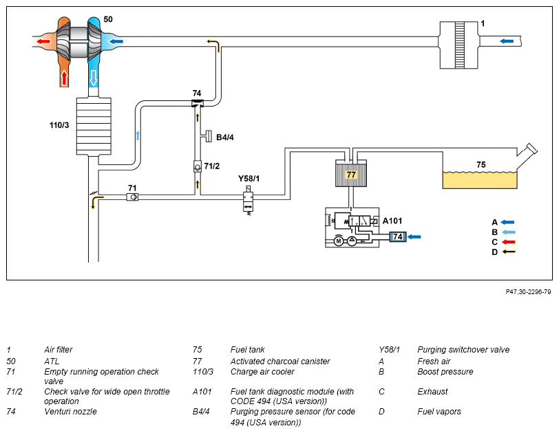
Ventilation of the fuel tank (operational ventilation) takes place over the aeration/vent valves, the aeration/vent lines and the activated charcoal canister.
The fuel vapors flow to the activated charcoal canister where they are stored and drawn off into the charge air distributor when purging is enabled.
When the engine is running, the fuel vapors stored in the activated charcoal canister are extracted through the purging switchover valve and combusted in the engine.
In order to regulate the regeneration quantity, the purging switchover valve is actuated by the ME-SFI [ME] control unit at the ground end by means of a electric signal between 0 and 500 mA.
The purging quantity is determined through regulation of the opening cross-section of the purging switchover valve.
The idle speed control prevents the purging from causing a change in rpm when the engine is at idle. The fuel/air mixture is leaned out depending on the level of fuel vapors load in the activated charcoal canister.
Function sequence for purging
- Function sequence for neutral purging
- Function sequence for wide open throttle purging
Function sequence for neutral purging
In idle mode, the fuel vapors stored in the activated charcoal canister are drawn off by the existing vacuum, over the purging switchover valve, the partial load operation check valve and the partial load operation purge line behind the throttle valve and are burned in the engine.
Function sequence for wide open throttle purging
In wide open throttle operation the fuel vapors are suctioned off through the wide open throttle operation check valve and the wide open throttle purge line.
The vacuum required for this is generated by a Venturi nozzle. The fuel vapors are then routed over the wide open throttle purge line, ATL and the charge air cooler to the charge air distributor.
To check whether the wide open throttle purging can be enabled, the purging switchover valve is opened suddenly three times in succession. Pressure peaks of > 120 mbar must be registered here to do this. The purging pressure sensor records the given pressure conditions in the wide open throttle purge line, and forwards a signal to the ME-SFI [ME] control unit.
Schematic representation of purging
| Electrical function schematic for purge control | PE47.30-P-2052-97DBF | ||
| Overview of system components for gasoline injection and ignition system with direct injection | GF07.70-P-9998MND |