Purging Function - GF47.30-P-3015MRS
Engine 264.9 in Model 205, 253
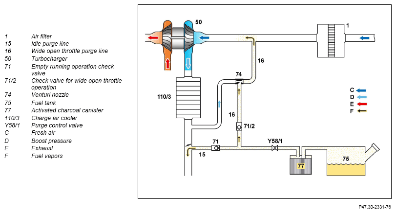
Schematic diagram of fuel tank aeration and ventilation (75)
Function requirements, general
- Engine start before at least 60 to 80 s
- Coolant temperature > 40°C
- Engine not in overrun mode
- Engine not in the lambda adaptation phase
Purging, general points
When ventilating the fuel tank (75), no fuel vapors may enter the environment. The fuel vapors are stored in the activated charcoal canister (77) and subsequently burnt in the Engine.
In order to enable the purging, the ME-SFI [ME] control unit (N3/10) reads in the following signals:
- Coolant temperature
Coolant temperature sensor (B11/4)
- Charge air temperature
Pressure and temperature sensor upstream of throttle valve (B28/26)
Pressure and temperature sensor downstream of throttle valve (B28/27)
- Engine load
Pressure and temperature sensor downstream of throttle valve
- Engine speed
Crankshaft Hall sensor (B70)
- Nitrogen oxide and oxygen concentration in exhaust gas Oxygen sensor downstream of catalytic converter (G3/1)
- Oxygen sensor sensor element downstream of catalytic converter (G3/1b1)
Oxygen sensor upstream of catalytic converter (G3/2)
- Oxygen sensor sensor element upstream of catalytic converter (G3/2b1)
The fuel tank (75) is ventilated (operational venting) using the vent and bleed valves (75/2), the vent and bleed lines (A), and the activated charcoal canister (77). In this process, the fuel vapors flow to the activated charcoal canister (77), where they are stored and suctioned off into the charge-air distributor when purging is released.
When the Engine is running, the fuel vapors stored in the activated charcoal canister (77) are suctioned off via the purge control valve and burnt in the Engine. The purge quantity is controlled by the ME-SFI control unit operating the purge control valve. The quantity of intaken fuel vapors is determined via the regulation of the opening cross-section of the purge control valve.
The idle speed control prevents the purging from causing a change in RPM when the Engine is at idle. The fuel/air mixture is leaned out accordingly depending on the activated charcoal canister's (77) loading with fuel vapors.
The purging is divided into the following subfunctions:
- Purging when idling
- Wide open throttle purging
Purging when idling
In idle, the fuel vapors stored in the activated charcoal canister (77) are suctioned off by the existing vacuum via the purging switchover valve, the partial-load operation check valve, and the idle purge line (15) behind the throttle valve and are burnt in the Engine.
Wide open throttle purging
In full-load operation, the fuel vapors are suctioned off through the full-load operation check valve (71/2) and the full load purge line (16). The vacuum required for this is generated over a Venturi nozzle (74). The fuel vapors are then routed over the full load purge line (16), the exhaust gas turbocharger (50), and the charge air cooler (110/3) to the charge-air distributor.
Schematic representation of purging
| Electrical function schematic for purge control | PE47.30-P-2052-97FBI | ||
| Overview of system components for gasoline injection and ignition system with direct injection | GF07.70-P-9998MRS |