lemon-mirror:
Home >> Mercury >> 1987 >> Topaz LS, 4WD >> Repair and Diagnosis >> Engine Performance >> System >> 2.3L HSC/CFI Testing >> Wiring Diagrams

Wiring Diagrams

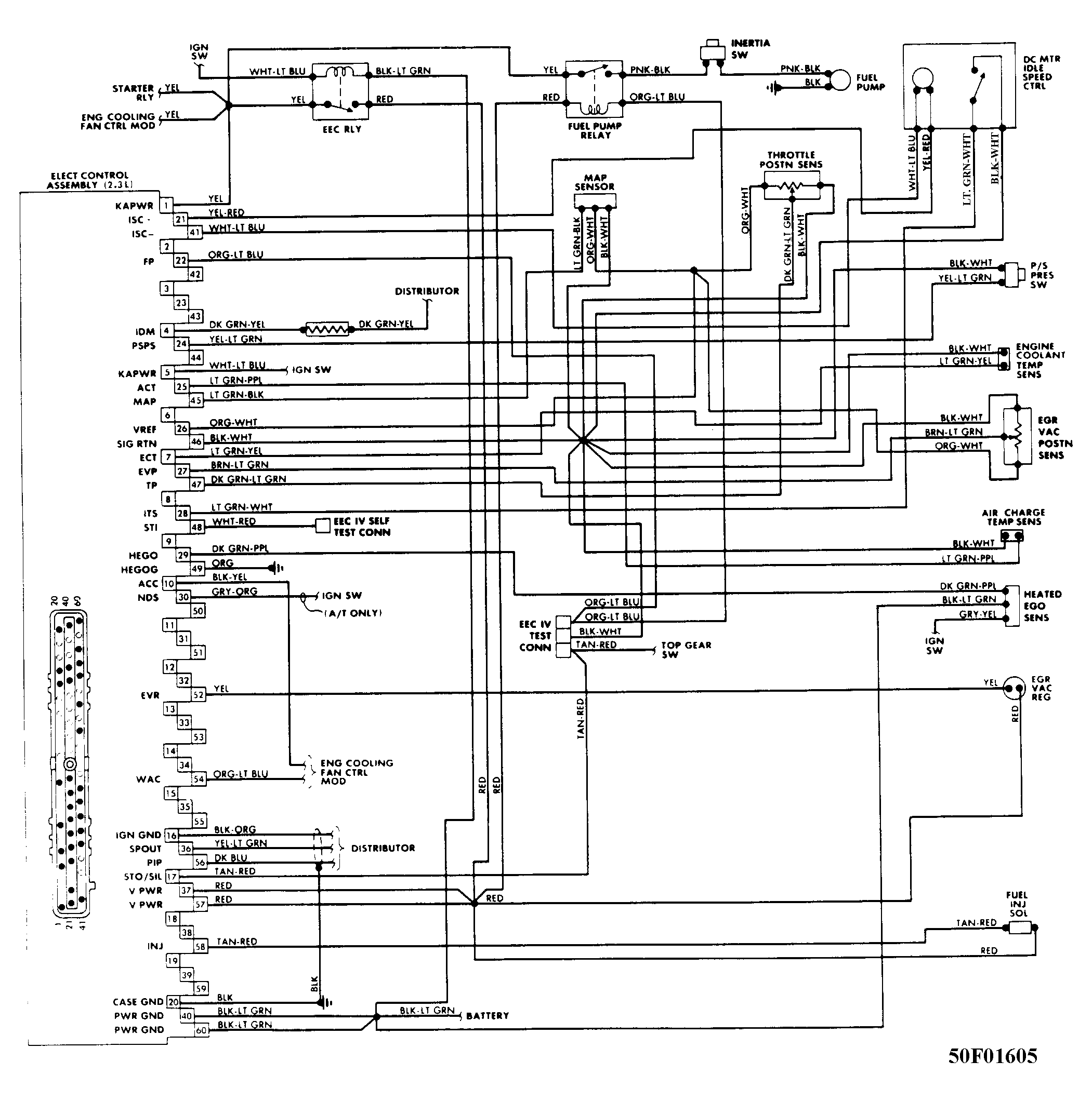
Fig 1: 2.3L HSC/CFI EEC-IV Wiring Diagram
G50F01605


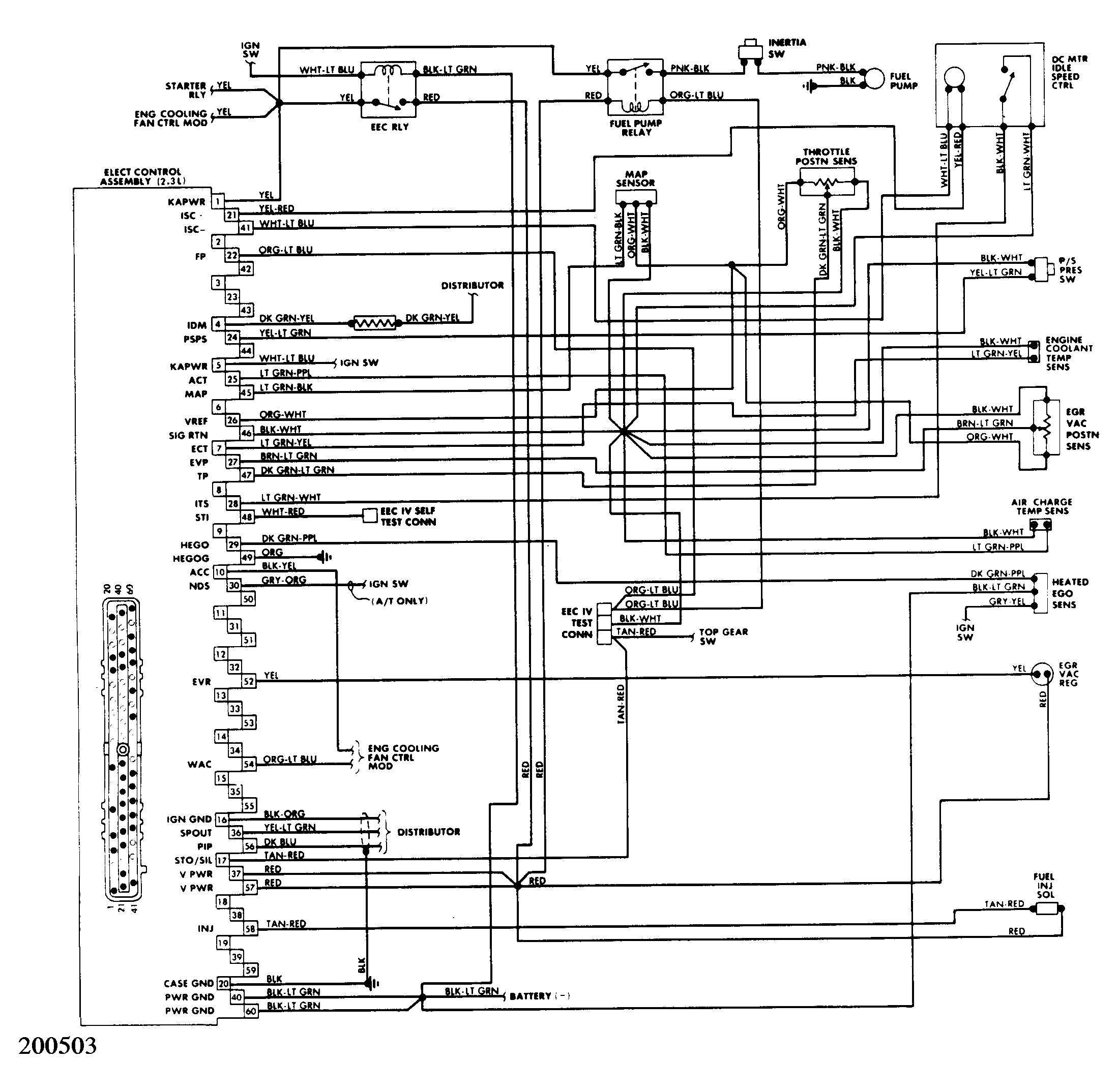
Fig 1: 2.3L HSC/CFI EEC-IV Wiring Diagram
G200503