lemon-mirror:
Home >> Mercury >> 1992 >> Capri Base, Automatic >> Repair and Diagnosis >> Engine Mechanical >> Engine Cooling Fan >> Description

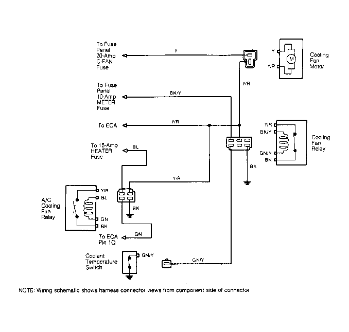
Engine Cooling Fan: Description

Power for cooling fan is provided by the 20-amp COOLING fuse (Capri) or C-FAN fuse (Festiva). Cooling fan is activated when ground is supplied for fan motor. On Festiva, ground can be supplied by fuel system ECA (located under the left side of dash), A/C cooling fan relay (if equipped) or cooling fan relay. See Fig 1 . On all models, when cooling fan is energized, relay contacts are open; when cooling fan is NOT energized, relay contacts are closed, providing ground through closed contacts to activate cooling fan. See Figure .

Cooling fan relay is energized when coolant temperature switch is closed. This occurs when coolant temperature is less than 212°F (100°C) for Capri or 207°F (97°C) for Festiva. At temperatures greater than 212°F (100°C) for Capri or 207°F (97°C) for Festiva, coolant temperature switch opens and cooling fan relay is de-energized, closing relay contacts and energizing cooling fan.

When ECA senses A/C request, it energizes A/C cooling fan relay by providing a ground for relay windings on ECA pin 1Q. Power for the A/C cooling fan relay is provided by the HEATER fuse. On Capri, when A/C cooling fan relay is energized, it opens the power circuit for the cooling fan relay. On Festiva, when A/C cooling fan relay is energized, it provides an alternate path to ground for cooling fan motor. ECA also provides an alternate path to ground (at ECA pin 1R) for cooling fan motor based on input from coolant temperature sensor to ECA pin 2Q.

Fig 1: Locating Cooling Fan & A/C Relays
G91I03489Courtesy of FORD MOTOR CO.