lemon-mirror:
Home >> Mercury >> 1998 >> Villager LS >> Repair and Diagnosis >> Engine Performance >> Vacuum Diagrams >> Introduction

Vacuum Diagrams: Introduction

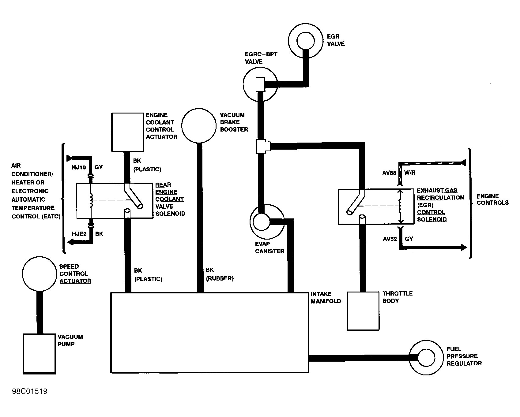
This article contains underhood schematics of vacuum hose routing. Use these vacuum diagrams during the visual inspection in BASIC TESTING article. This will assist in identifying improperly routed vacuum hoses, which may cause driveability and/or computer-indicated malfunctions.

NOTE: Vacuum diagrams for applications not shown are not available from manufacturer at time of publication.
Fig 1: Vacuum Diagram (3.0L)
G98C01519Courtesy of FORD MOTOR CO.