lemon-mirror:
Home >> Mercury >> 2007 >> Monterey >> Repair and Diagnosis >> External Pages >> Different car >> Section 187 (Component Testing) >> Component Testing >> Window adjust switches >> Schematic

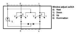
Window adjust switches: Schematic

WARNING: This page is about a different car, the 2007 Mercury Montego and 2007 Ford Five Hundred. However, it is still accessible from the selected car via links, so may be relevant.
Fig 1: Window Adjust Switches - Schematic
G05177802Courtesy of FORD MOTOR CO.