lemon-mirror:
Home >> Mini >> 2002 >> Cooper Base, Standard >> Repair and Diagnosis >> Accessories & Equipment >> Communication Devices >> Body Control - Overview >> MINI Body Control Module >> Wipers and Washers >> Notes

Wipers and Washers: Notes

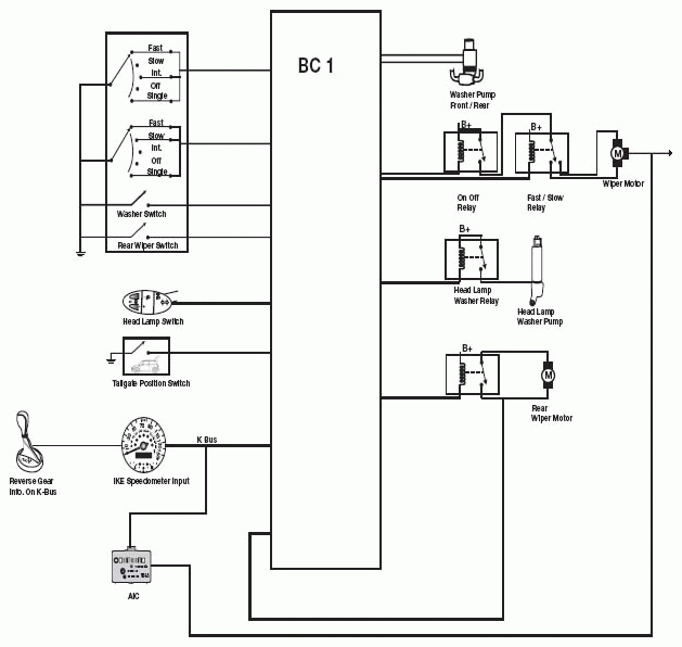
Wiper and washer functions for the front windshield, rear window, optional Rain Sensor, and headlight washing systems are controlled by the BC1. The BC1 via external relays controls the front and rear wash/wipe system of MINI. The operating controls for all functions are performed from a central point at the right steering column stalk.

Fig 1: Wiper And Washer Functions Diagram
G04730172Courtesy of BMW OF NORTH AMERICA, INC.