lemon-mirror:
Home >> Mini >> 2021 >> Cooper Base, 2D Convertible, Standard Trans >> Repair and Diagnosis >> General Information >> OEM General Information >> Functional Description (F57) >> Alarm System >> System functions >> Functional networking

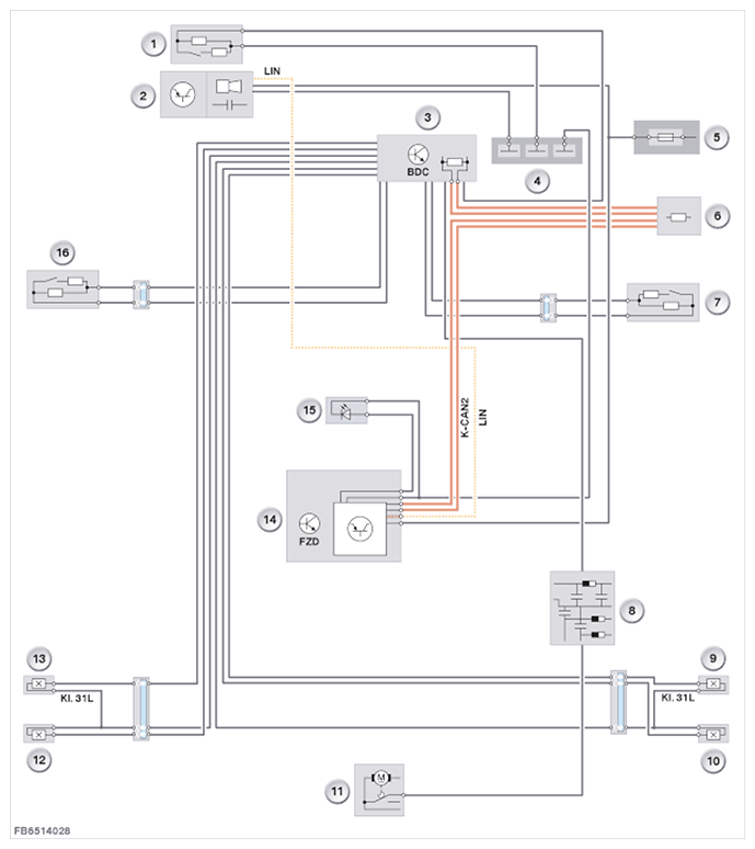
Functional networking

A complex system network with distributed functions residing in additional control units is needed to implement the anti-theft alarm system's functionality. The following illustration shows the functional networking.

G11650579Courtesy of BMW OF NORTH AMERICA, INC.

I01 shown

Item Explanation
1 Bonnet contact switch
2 Siren with tilt alarm sensor
3 Body Domain Controller (BDC)
4 Ground connection
5 Power distribution box Life module
6 CAN terminator
7 Front passenger-door lock
8 Interference-suppression filter
9 Top rear right door contact
10 Bottom rear right door contact
11 Tailgate/tailgate lock
12 Bottom rear left door contact
13 Top rear left door contact
14 Roof function center (FZD) with ultrasonic interior sensor
15 Alarm system LED on the inside mirror
16 Driver's door lock