lemon-mirror:
Home >> Mitsubishi >> 1986 >> Starion ESI-R >> Repair and Diagnosis >> Engine Performance >> System >> Fuel Injection System - MITSUBISHI >> Description

Fuel Injection System - MITSUBISHI: Description

Electronically Controlled Injection (ECI) is a computerized emission, ignition and fuel control system. The ECI system adjusts engine operation to lower exhaust emissions while maintaining efficient driveability. The Electronic Control Unit (ECU) is the foundation of the ECI system. The ECU controls many of the related systems to continuously adjust engine operation.

NOTE: Primary sub-systems which affect operation of the fuel system will be covered in this article. Because of the interrelated functions of the computor control system (ECU), refer to ELECTRONIC CONTROL INJECTION (ECI) SYSTEM article in COMPUTER CONTROLS section for more information.
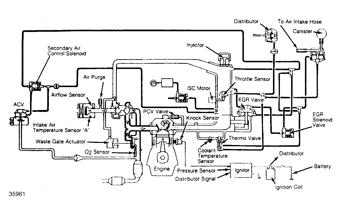
Fig 1: ECI System (Cordia & Mirage)
G35961
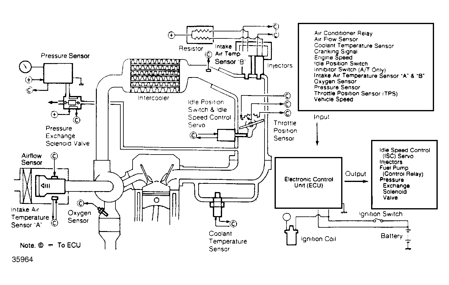
Fig 2: ECI System (Starion - Intercooled Turbo)
G35964