lemon-mirror:
Home >> Mitsubishi >> 1988 >> Precis Base >> Repair and Diagnosis >> Engine Performance >> System >> Feedback Carburetor System >> Operation >> Feedback Carburetor System (FBC) >> Notes

Feedback Carburetor System (FBC): Notes

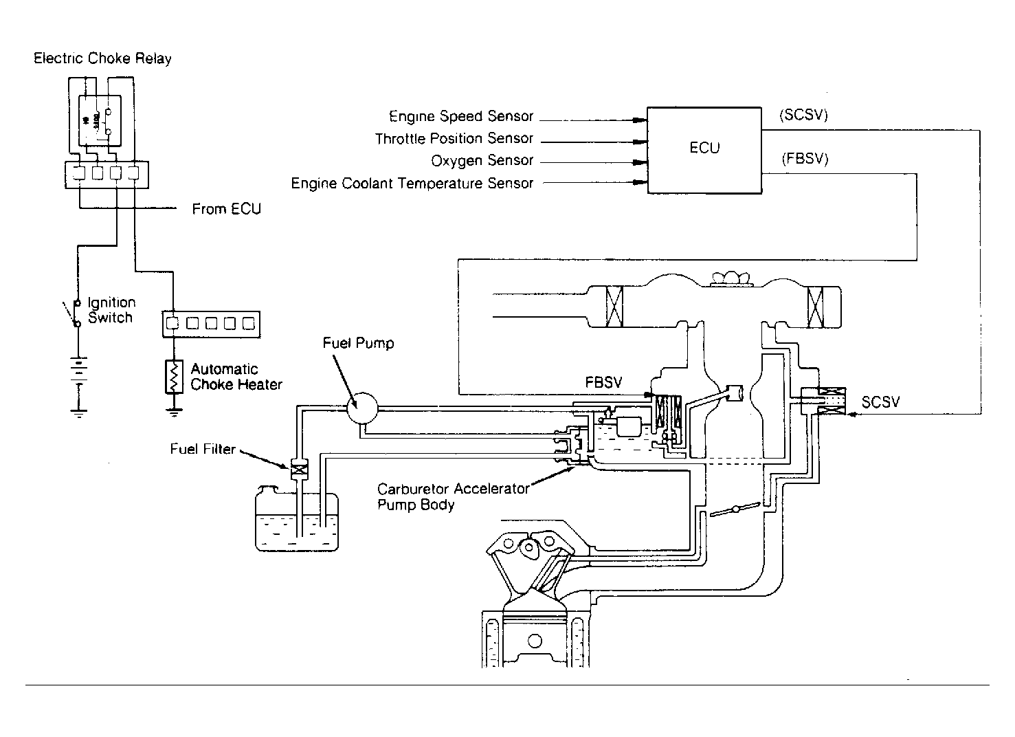
The carburetor operates on a preset fuel delivery programmed in the ECU during cold engine (open loop) operation. When engine coolant reaches 122°F (50°C) the ECU switches to closed loop and modulates fuel delivery through 2 solenoid valves The system now operates the engine on the leanest possible air/fuel mixture. Fuel metering is accomplished by the use of 2 solenoid valves. The 2 valves are the Feedback Solenoid Valve (FBSV) and Slow-Cut Solenoid Valve (SCSV). The FBSV and the SCSV are located in the carburetor float chamber cover and are cycled by the ECU to control fuel delivery to the engine. The SCSV controls fuel delivery at slow engine speeds and on deceleration. The FBCV controls fuel delivery at all other engine speeds. Activation of each solenoid valve is controlled by the duty cycle signal from the ECU. Duty cycle is length of time the electrical current is supplied to each solenoid. See Fig 1 .

Fig 1: Feedback Carburetor (FBC) System
G94674