lemon-mirror:
Home >> Mitsubishi >> 1988 >> Starion ESI-R, Automatic >> Repair and Diagnosis >> Engine Performance >> System >> ECI CEC System >> Wiring Diagrams

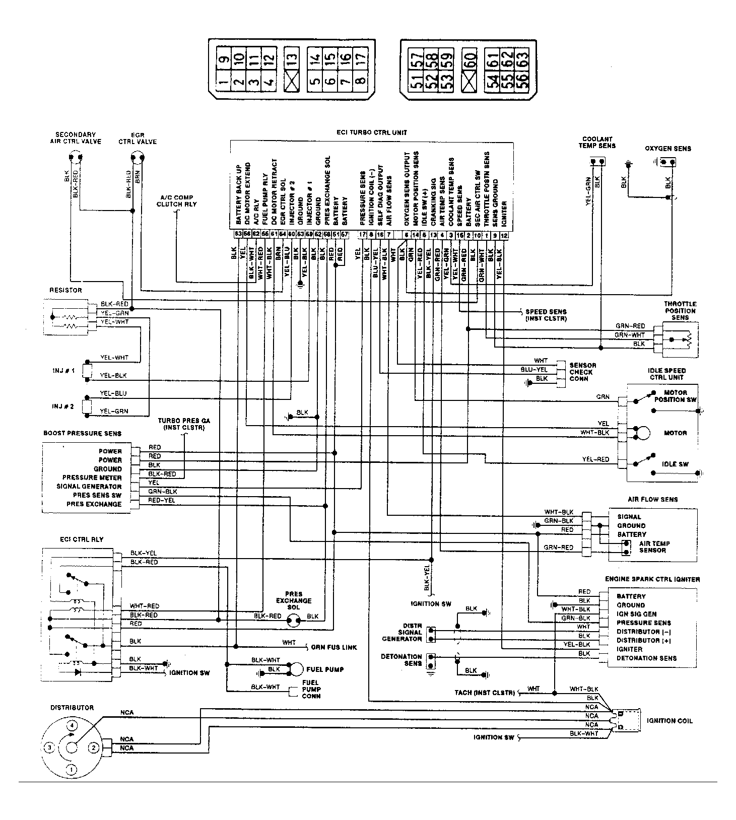
Wiring Diagrams

Fig 1: Wiring Diagram for Starion
G94406
Fig 2: Wiring Diagram for Cordia & Tredia
G94407
Fig 3: Wiring Diagram for Mirage
G94408