lemon-mirror:
Home >> Mitsubishi >> 1992 >> Expo Base, Automatic >> Repair and Diagnosis >> Engine Performance >> System >> Engine Controls - Tests W/Codes >> Code Charts >> Dr-9A: Code 24, Testing Vehicle Speed Sensor

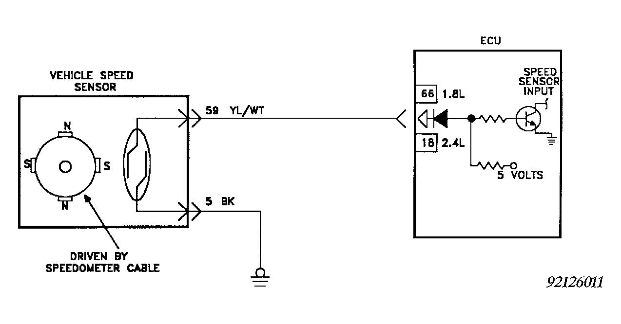
Dr-9A: Code 24, Testing Vehicle Speed Sensor

Fig 1: Test DR-9A Schematic - Code 24 Testing Vehicle Speed Sensor
G92I26011
Fig 2: Test DR-9A Flow Chart - Code 24 (1 Of 2) Testing Vehicle Speed Sensor
G92J26012
Fig 3: Test DR-9A Flow Chart - Code 24 (2 Of 2) Testing Vehicle Speed Sensor
G92A26013