lemon-mirror:
Home >> Mitsubishi >> 1992 >> Precis Automatic >> Repair and Diagnosis >> Engine Mechanical >> Engine Cooling Fan >> Wire Color Codes

Wire Color Codes

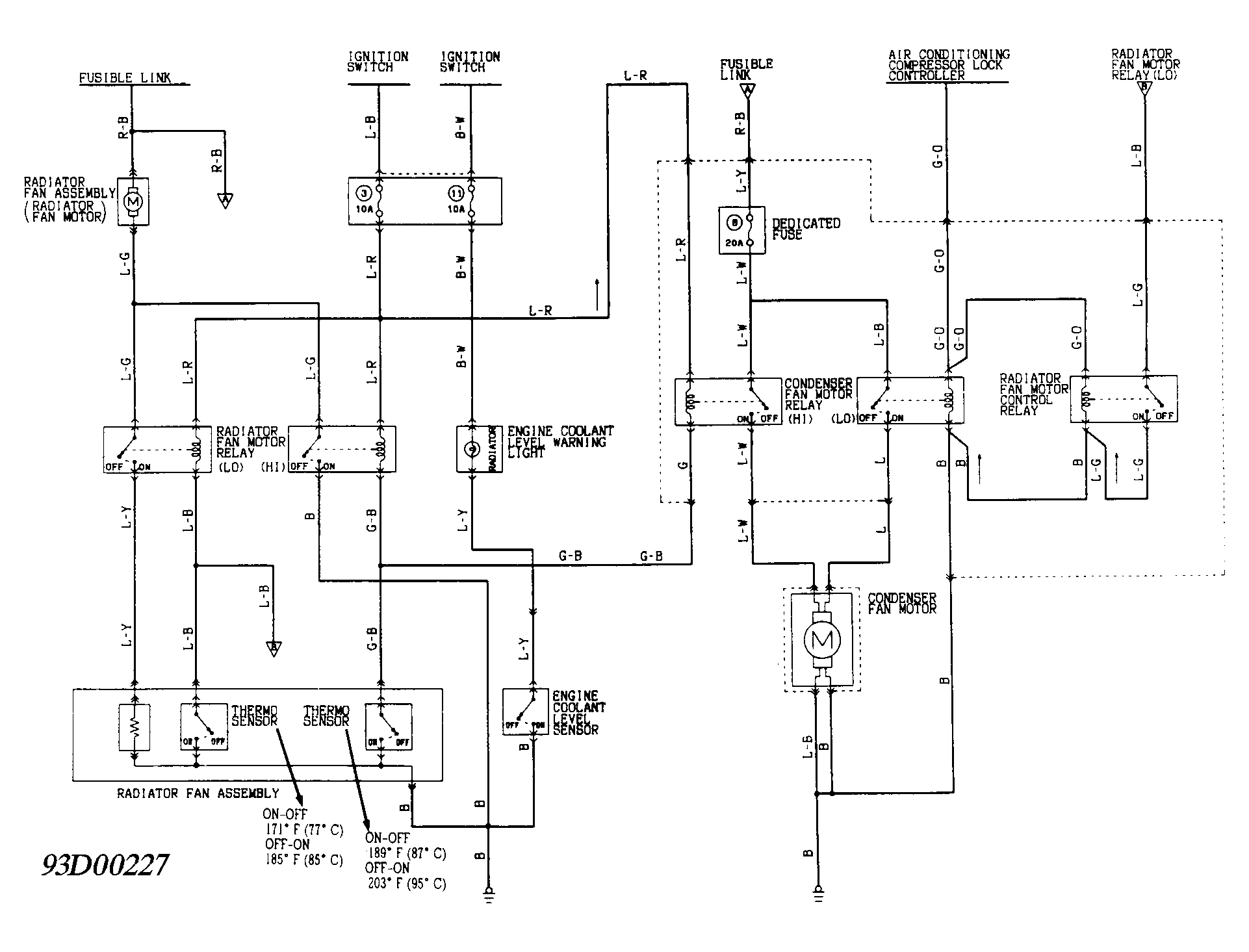
NOTE: See Figure -Figure . For additional wiring diagrams, see appropriate chassis wiring diagrams in WIRING DIAGRAMS Section.
WIRE COLOR CODES

Wire Color Code
Black B
Brown BR
Green G
Gray GR
Blue L
Light Blue LI
Light Green LG
Orange O
Pink P
Red R
Sky Blue SB
Violet V
White W
Yellow Y