lemon-mirror:
Home >> Mitsubishi >> 2004 >> Outlander LS, FWD >> Repair and Diagnosis >> Electrical >> Charging Systems >> Generators & Regulators >> On-Vehicle Testing >> Output Current Test

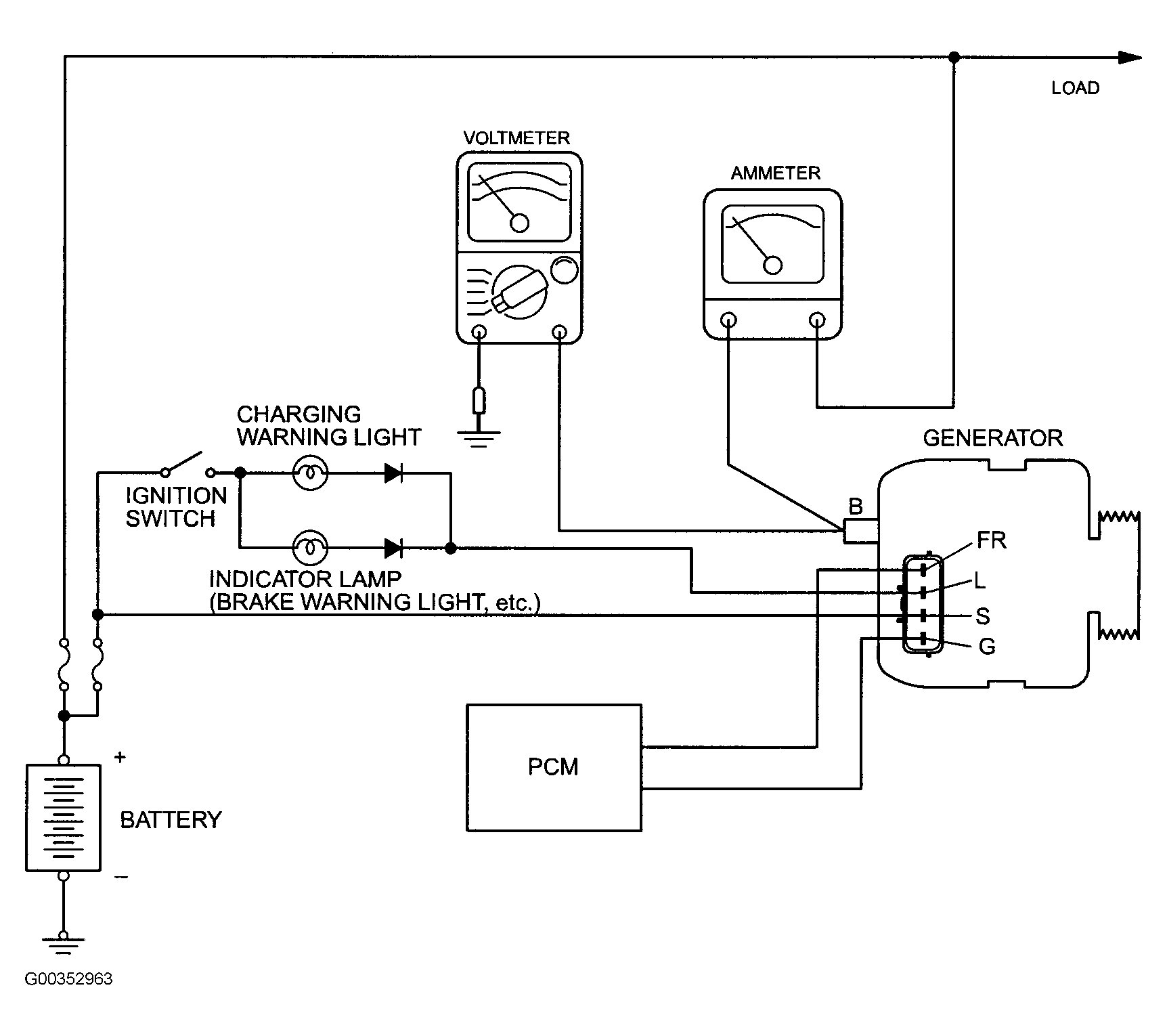
Output Current Test

Required special tool: MB991958: Scan Tool MUT-III Sub Assembly, MB991824: V.C.I., MB991827 MUT-III USB Cable, MB5991911: MUT-III Main Harness B. This test determines whether the generator outputs normal current. For best results, use a charging system tester. If not available, follow the steps below. See Fig 1 .

Fig 1: Output Current Test
G00352963Courtesy of MITSUBISHI MOTOR SALES OF AMERICA.
    WARNING: Battery posts, terminals and related accessories contain lead and lead compounds. Wash hands after handling.
  1. Before the test, always be sure to check the following.
    • Generator installation.
    • NOTE: The battery to be used should be slightly discharged. The load in a fully-charged battery will be insufficient and the test may not be able to be carried out correctly.
    • Battery.
    • Generator drive belt tension.
    • Fusible link.
    • Abnormal noise from the generator while the engine is running.
  2. Turn the ignition switch to the LOCK (OFF) position.
  3. WARNING: Never use clips to connect the line. Loose connections (for example, using clips) will lead to a serious accident because of high current.
  4. Disconnect the negative battery cable.
  5. NOTE: A clamp-type ammeter which enables measurements to be taken without disconnecting the generator output wire is recommended.
  6. Disconnect the generator output wire from the generator B terminal and connect a DC test ammeter with a range of 0-100A in series between the B terminal and the disconnected output wire. (Connect the positive lead of the ammeter to the B terminal, and then connect the negative lead of the ammeter to the disconnected output wire.)
  7. Connect a voltmeter with a range of 0-20V between the generator B terminal and ground. (Connect the positive lead of the voltmeter to the B terminal, and then connect the negative lead of the voltmeter to ground.)
  8. Connect the negative battery cable.
  9. Connect an engine tachometer or scan tool MB991958.
  10. Leave the hood open.
  11. NOTE: If the voltage is 0 V, the cause is probably an open circuit in the wire or fusible link between the generator B terminal and the battery positive terminal or malfunctioning voltmeter.
  12. Check to be sure that the reading on the voltmeter is equal to the battery positive voltage.
  13. NOTE: Because the current from the battery will soon drop after the engine is started, the next step should be carried out as quickly as possible in order to obtain the maximum current output value.
  14. After turning on the headlights, start the engine.
  15. NOTE: The current output value will depend on the electrical load and the temperature of the generator body.
    NOTE: If the electrical load is small while testing, the specified level of current may not be output even though the generator is normal. In such cases, increase the electrical load by leaving the headlights turned on for some time to discharge the battery or by using the lighting system in another vehicle, and then test again.
    NOTE: The specified level of current also may not be output if the temperature of the generator body or the ambient temperature is too high. In such cases, cool the generator and then test again.
  16. Immediately after setting the headlights to high beam and turning the heater blower switch to the highest position, increase the engine speed to 2,500 RPM and read the maximum current output value displayed on the ammeter. Limit value: 70 percent of nominal current output.
  17. The reading on the ammeter should be above the limit value. If the reading is below the limit value and the generator output wire is normal, remove the generator from the engine and check the generator.
  18. Run the engine at idle speed after the test.
  19. Turn the ignition switch to the LOCK (OFF) position.
  20. Disconnect the engine tachometer or scan tool MB991958.
  21. Disconnect the negative battery cable.
  22. Disconnect the ammeter and voltmeter and engine tachometer.
  23. Connect the generator output wire to the generator B terminal.
  24. Connect the negative battery cable. Run the engine for 10 minutes at an idle after reconnecting negative battery cable.