lemon-mirror:
Home >> Mitsubishi >> 2006 >> Lancer Evolution >> Repair and Diagnosis >> Restraints >> Restraints Control Systems >> Supplemental Restraint System - Lancer Evolution >> General Description >> Schematic

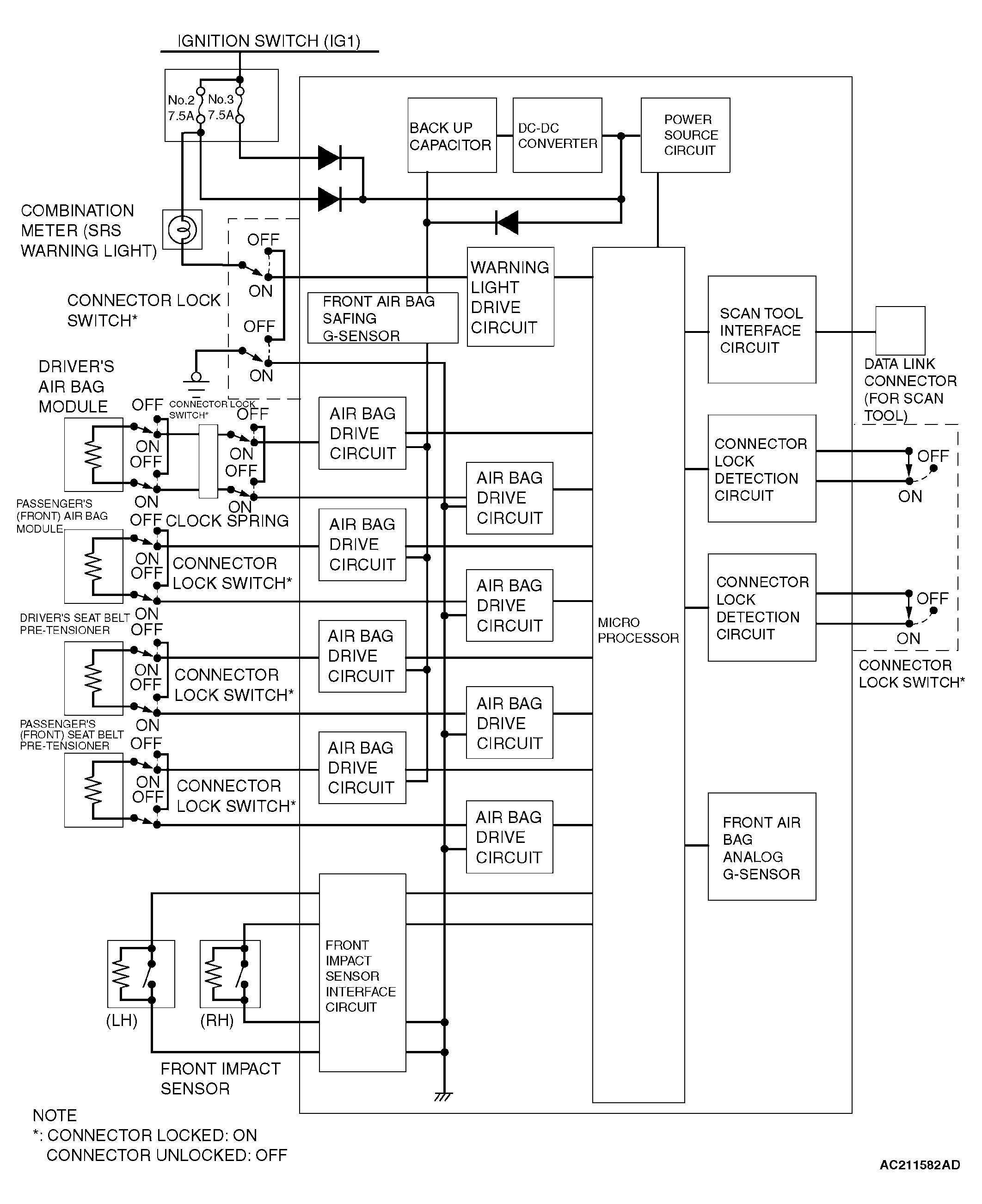
Supplemental Restraint System - Lancer Evolution: General Description: Schematic

Fig 1: Schematic Diagram
G04297882Courtesy of MITSUBISHI MOTOR SALES OF AMERICA.