lemon-mirror:
Home >> Mitsubishi >> 2007 >> Eclipse GS, Automatic >> Repair and Diagnosis >> Electrical >> Charging Systems >> Charging System >> On-Vehicle Service >> Output Current Test >> Notes

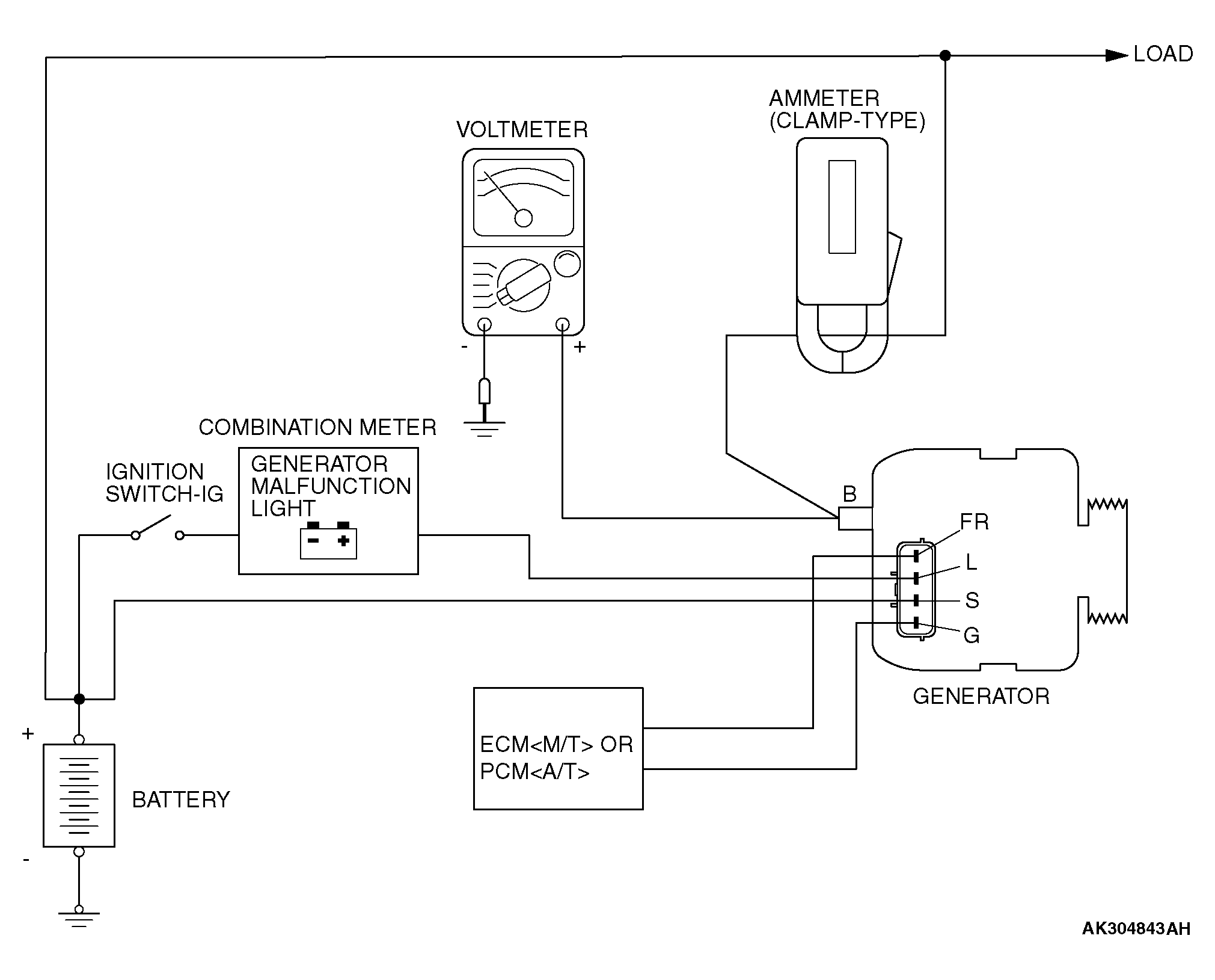
Output Current Test: Notes

Fig 1: Output Current Testing Diagram
G04237064Courtesy of MITSUBISHI MOTOR SALES OF AMERICA.

Required Special Tool: 

MB991958: Scan Tool (MUT-III Sub Assembly)

This test determines whether the generator outputs normal current. For best results, use a charging system tester. If not available, follow the steps below.

WARNING: Battery posts, terminals and related accessories contain lead and lead compounds.