lemon-mirror:
Home >> Mitsubishi >> 2007 >> Raider SE >> Repair and Diagnosis >> Engine Performance >> Engine Control Systems >> Electronic Control Modules >> Diagnosis And Testing >> *No Response From FCM (Front Control Module) >> Notes

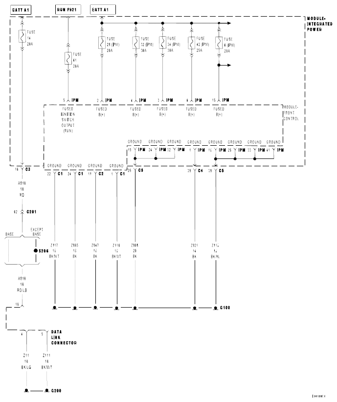
*No Response From FCM (Front Control Module): Notes

Fig 1: Front Control Module Circuit Diagram
G04853382Courtesy of MITSUBISHI MOTOR SALES OF AMERICA.

For a complete wiring diagram  , refer to appropriate SYSTEM WIRING DIAGRAMS article.

Possible Causes
(A918) FUSED B (+) CIRCUIT OPEN AT DLC 
(Z11) GROUND CIRCUIT OPEN AT DLC 
GROUND CIRCUITS OPEN AT FCM 
FUSED B+ CIRCUITS OPEN AT FCM 
FRONT CONTROL MODULE