lemon-mirror:
Home >> Mitsubishi >> 2012 >> Outlander ES >> Repair and Diagnosis >> Brakes >> Traction Control >> Active Stability Control System (ASC) >> Wheel Speed Sensor >> Inspection >> Wheel Speed Sensor Insulation Check

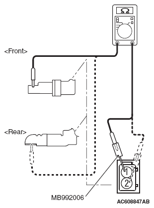
Wheel Speed Sensor Insulation Check

  1. Connect the circuit tester to the wheel speed sensor using the special tool extra fine probe (MB992006), and measure the insulation resistance between terminal No. 1/2 and the wheel speed sensor body as a single unit.

    Standard value: 5 MΩ or more 

  2. If the insulation resistance is not within the standard value range, replace the wheel speed sensor with a new one.
    Fig 1: Measuring Insulation Resistance Between Terminal No. 1/2 And Wheel Speed Sensor Body
    G06675329Courtesy of MITSUBISHI MOTOR SALES OF AMERICA.