lemon-mirror:
Home >> Mitsubishi >> 2014 >> RVR ES >> Repair and Diagnosis >> Electrical >> Starter >> Starting System >> General Information >> Notes

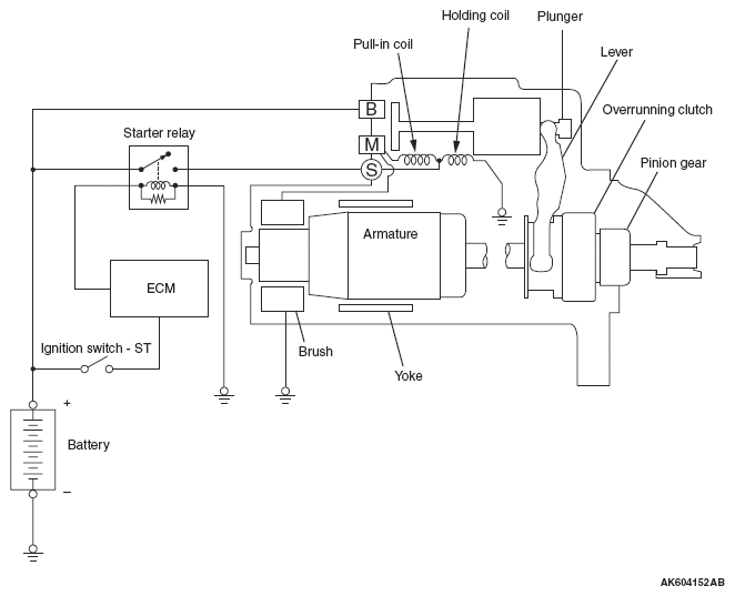
General Information: Notes

If the ignition switch is turned to the "START" position, current flows in the coil provided inside magnetic switch, attracting the plunger. When the plunger is attracted, the lever connected to the plunger is actuated to engage the starter clutch.

On the other hand, attracting the plunger will turn on the magnetic switch, allowing the "B" terminal and "M" terminal to conduct. Thus, current flows to engage the starter motor.

When the ignition switch is returned to the "ON" position after starting the engine, the starter clutch is disengaged from the ring gear.

An overrunning clutch is provided between the pinion and the armature shaft, to prevent damage to the starter.

Fig 1: Starting - System Diagram
G05375427Courtesy of MITSUBISHI MOTOR SALES OF AMERICA.