lemon-mirror:
Home >> Mitsubishi >> 2016 >> Outlander ES >> Repair and Diagnosis >> Electrical >> Charging Systems >> On-Vehicle Service >> Output Current Test

Output Current Test

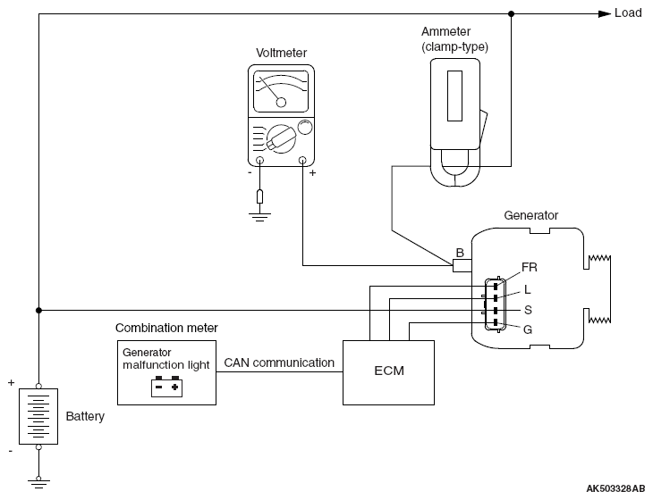
Fig 1: Output Current Test Circuit Diagram
G09628801Courtesy of MITSUBISHI MOTOR SALES OF AMERICA.

Required Special Tools: 

This test determines whether the generator output current is normal.

WARNING: Battery posts, terminals and related accessories contain lead and lead compounds. Wash hands after handling.
  1. Before the test, always be sure to check the following.
    • Generator installation
    • Battery (Refer to BATTERY TEST ).
      NOTE: The battery should be slightly discharged. The load needed by a fully-charged battery is insufficient for an accurate test.
    • Drive belt tension. [Refer to DRIVE BELT (FOR WATER PUMP AND GENERATOR) (CHECK CONDITION) ].
    • Fusible link
    • Abnormal noise from the generator while the engine is running.
  2. Turn the ignition switch to the "LOCK" (OFF) position.
  3. Disconnect the negative battery cable.
  4. Set a clamp-type DC test ammeter to the generator "B" terminal output wire.
    NOTE: Disconnecting the generator output wire and connecting the ammeter may not thoroughly diagnose an output current drop problem because of an insufficient connection between terminal "B" and the output wire.
  5. Connect a voltmeter with a range of 0 - 20 V between the generator "B" terminal and the ground (Connect the positive lead of the voltmeter to the "B" terminal, and then connect the negative lead of the voltmeter to the ground).
  6. Connect the negative battery cable.
    CAUTION: To prevent damage to scan tool (M.U.T.-III), always turn the ignition switch to the "LOCK" (OFF) position before connecting or disconnecting scan tool (M.U.T.-III).
  7. Connect scan tool (M.U.T.-III) to the data link connector. (Refer to DIAGNOSTIC FUNCTION ).
  8. Leave the hood open.
  9. Check that the reading on the voltmeter is equal to the battery voltage.
    NOTE: If the voltage is 0 V, the cause is probably an open circuit in the wire or fusible link between the generator "B" terminal and the positive battery terminal.
  10. Turn the light switch on to turn on headlights and then start the engine.
  11. Increase the engine speed to 2, 500 r/min to read the maximum current output value displayed on the ammeter immediately after satisfying the following conditions:
    • Headlights: High beam
    • Heater blower switch: High revolution position
    • Rear window defogger switch: ON

      Limit: 70 % of normal current output 

      NOTE:
      • For the nominal current output, refer to the GENERATOR SPECIFICATIONS .
      • Because the current from the battery will soon drop after the engine is started, the above step should be carried out as quickly as possible in order to obtain the maximum current output value.
      • The current output value will depend on the electrical load and the temperature of the generator body.
      • If the electrical load is small while testing, the specified level of current may not be output even though the generator is normal. In such cases, increase the electrical load by leaving the headlights turned on for some time to discharge the battery or by using the lighting system in another vehicle, and then test again.
      • The specified level of current also may not be output if the temperature of the generator body or the ambient temperature is too high. In such cases, cool the generator and then test again.
  12. The reading on the ammeter should be above the limit value. If the reading is below the limit value and the generator output wire is normal, remove the generator from the engine and check the generator.
  13. Run the engine at idle after the test.
  14. Turn the ignition switch to the "LOCK" (OFF) position.
  15. Disconnect the scan tool (M.U.T.-III) to the data link connector.
  16. Disconnect the negative battery cable.
  17. Disconnect the ammeter and voltmeter.
  18. Connect the negative battery cable.