lemon-mirror:
Home >> Mitsubishi >> 2016 >> Outlander ES >> Repair and Diagnosis >> Engine Performance >> Ignition System >> General Information >> System Diagram

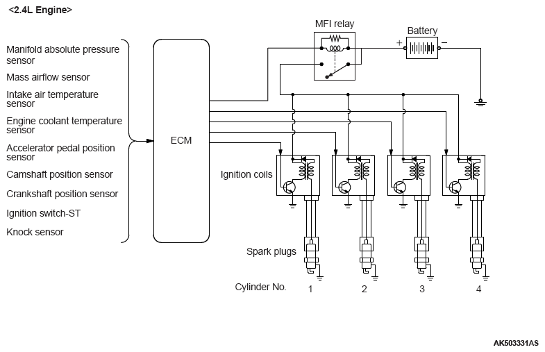
System Diagram

Fig 1: Engine Electrical Ignition System Circuit Diagram
G10224380Courtesy of MITSUBISHI MOTOR SALES OF AMERICA.
Fig 2: Engine Electrical Ignition System Circuit Diagram
G10224381Courtesy of MITSUBISHI MOTOR SALES OF AMERICA.