lemon-mirror:
Home >> Mitsubishi >> 2023 >> Outlander PHEV SEL >> Repair and Diagnosis >> Electrical >> Body Electrical >> Power Control System >> System Description >> System >> Auto Acc Function >> System Description >> Operation Flow

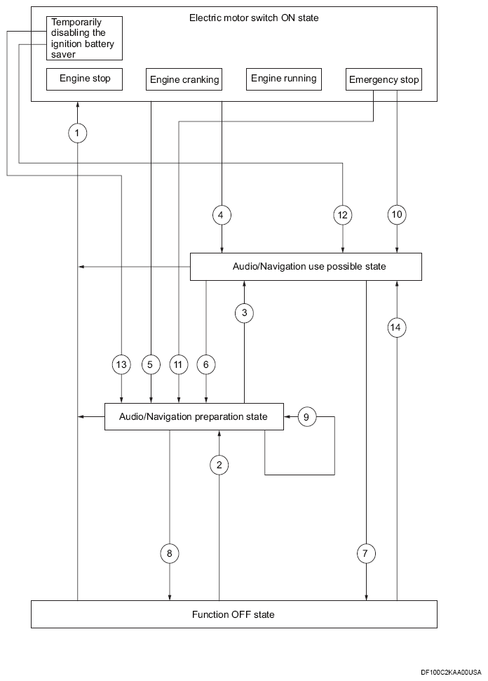
Operation Flow

G16316633Courtesy of MITSUBISHI MOTOR SALES OF AMERICA.

Electric motor switch ON state 

In this status the electric motor switch is operated and pushed ON.

Audio/Navigation use possible state 

Audio/Navigation preparation state 

Function OFF state 

In this status the AUTO ACC function stops and power to the accessories is not supplied.

No. Function status Shifting condition Accessory power supply
1 Shifting from "Function OFF state" to "Electric motor switch ON state" Any of the following conditions is satisfied.
  • Turn the electric motor switch ON from OFF.
  • Operate electric motor switch and start the engine.
OFF -> ON
Shifting from "Audio/Navigation preparation state" to "Electric motor switch ON state" ON
Shifting from "Audio/Navigation use possible state" to "Electric motor switch ON state" ON
2 Shifting from "Function OFF state" to "Audio/Navigation preparation state" Any of the following conditions is satisfied.
  • Each door is opened or closed.
  • Close all doors, and lock all doors with the Keyless operation key or door request switch.
  • Operate either the door request switch or the unlock button of the Keyless operation key to unlock the door.
  • Operate lighting switch and turn ON the tail light.
  • Software update of the AV control unit.
  • Map data update.
OFF -> ON
3 Shifting from "Audio/Navigation preparation state" to "Audio/Navigation use possible state" Operate audio/navigation. ON
4 Shifting from "Electric motor switch ON state" to "Audio/Navigation use possible state" Turn the electric motor switch OFF from ON while driver door is close with vehicle speed is less than 3 km/h (1.86 mph). ON
5 Shifting from "Electric motor switch ON state" to "Audio/Navigation preparation state" Turn the electric motor switch OFF from ON while driver door is open with vehicle speed is less than 3 km/h (1.86 mph). ON
6 Shifting from "Audio/Navigation use possible state" to "Audio/Navigation preparation state" Any of the following conditions is satisfied.
  • Driver door is opened.
  • Close all doors, and lock all doors with the Keyless operation key or door request switch.
  • 10 minutes pass from "Audio/Navigation use possible state".
ON
7 Shifting from "Audio/Navigation use possible state" to "Function OFF state" 30 minutes pass from "Audio/Navigation use possible state". ON -> OFF
8 Shifting from "Audio/Navigation preparation state" to "Function OFF state" 1 minutes or 3 minutes pass from "Audio/Navigation preparation state". ON -> OFF
9 Shifting from "Audio/Navigation use possible state" time extension (1 minute) Any of the following conditions is satisfied.
  • Each door is opened or closed.
  • Close all doors, and lock all doors with the Keyless operation key or door request switch.
  • Operate either the door request switch or the unlock button of the Keyless operation key to unlock the door.
  • Operate lighting switch and turn ON the tail light.
  • Operate power window main switch and open/close the front power window LH.
  • Software update of the AV control unit.
  • Map data update.
ON
10 Shifting from "Electric motor switch ON state" (in status of emergency stop) to "Audio/Navigation use possible state" Vehicle speed is less than 3 km/h (1.86 mph) and except driver door is opened. ON
11 Shifting from "Electric motor switch ON state" (in status of emergency stop) to "Audio/Navigation preparation state" Vehicle speed is less than 3 km/h (1.86 mph) and driver door is opened. ON
12 Shifting from "Electric motor switch ON state" (in status of temporarily disabling the ignition battery saver) to "Audio/Navigation use possible state" Press and hold the electric motor switch continuously for 3 seconds or more when all of the following conditions are satisfied.
  • Brake pedal: Not depressed
  • Driver door: Close
ON
13 Shifting from "Electric motor switch ON state" (in status of temporarily disabling the ignition battery save) to "Audio/Navigation preparation state" Press and hold the electric motor switch continuously for 3 seconds or more when all of the following conditions are satisfied.
  • Brake pedal: Not depressed
  • Driver door: Open
ON
14 Shifting from "Function OFF state" to "Audio/Navigation use possible state" Operate telematics system. OFF -> ON