lemon-mirror:
Home >> Nissan-Datsun >> 1982 >> Sentra XE, Automatic Trans >> Repair and Diagnosis >> Engine Performance >> Engine Control Systems >> Electronically Controlled Carburetor >> Testing >> Fuel Shut-Off System

Fuel Shut-Off System

  1. Turn ignition switch "OFF. Disconnect ECC 20-pin connector. Check that there is continuity between terminal 5 and ground with clutch engaged. If not, replace clutch switch.
  2. Check that there is continuity between terminal 4 and ground with transmission in neutral. If not, replace neutral switch.
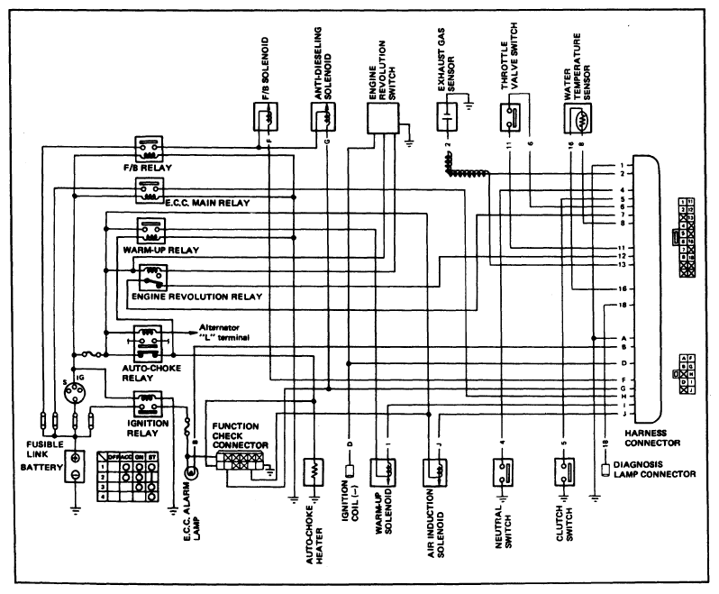
    Fig 1: Datsun Sentra M.P.G. Electronically Controlled Carburetor (ECC) Wiring Diagram
    G09316257Courtesy of NISSAN NORTH AMERICA, INC.