lemon-mirror:
Home >> Nissan-Datsun >> 1983 >> Sentra Base, 2D Hatchback, Automatic >> Repair and Diagnosis >> Engine Performance >> System >> Feedback Carburetor System >> Testing >> System Check

System Check

  1. Visually check clamps at all air intake components and vacuum hoses for leakage. Check air cleaner and fuel filters for clogging. Start engine and warm to normal operating temperature.
  2. Check for leaks at dipstick, anti-backfire valve, and air induction hoses (MPG only). Check intake manifold, EGR valve gaskets, valve cover, and oil filter cap. Check operation of EGR valve seat, air induction control valve (MPG only), and anti-backfire valve.
  3. Check fuel lines for leaks. With engine idling, check that fuel level centers on mark on carburetor sight glass. Make sure ignition system voltage, ignition timing, idle RPM, and mixture are to specifications. See DATSUN/NISSAN TUNE-UP SERVICE PROCEDURES article in TUNE-UP Section.
  4. Turn engine off. Disconnect ECC harness connector. Turn ignition switch "ON". Check that ECC inspection lamp (located on instrument panel) is on. If not replace bulb.
  5. Start engine. Check that lamp turns off. Run engine at 2000 RPM for approximately 5 minutes. If lamp is still off, testing is complete. If lamp is on, connect ECC harness connector.
  6. If lamp stays on and momentarily flashes off, turn ignition switch "OFF". Using ohmmeter, check that resistance of air/fuel ratio solenoid is 30-50 ohms and anti-dieseling solenoid, catalyst warm-up vacuum switching solenoid (MPG only), and air induction vacuum switching solenoid (MPG only) is 25-45 ohms.
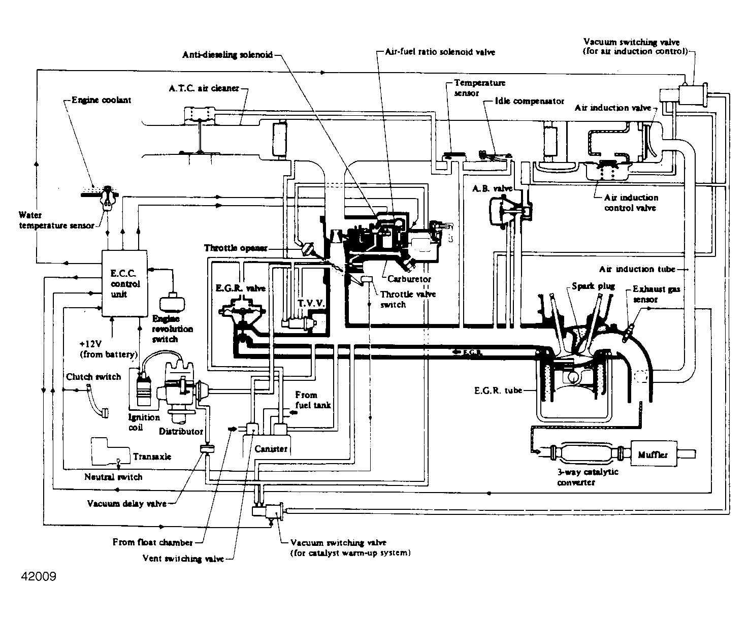
    Fig 1: Electronically Controlled Carburetor (ECC) Schematic for Federal Sentra MPG Models
    G42009
    Fig 2: Electronically Controlled Carburetor (ECC) Schematic for California Pulsar & Sentra Models
    G42010
  7. If any solenoid is not within specification, replace it. Disconnect 10-pin connector from ECC control unit. Turn ignition switch on. Using voltmeter, check that there is 12-14 volts between terminals F and G (also I and J on MPG) and ground. If not, repair or replace harness. If okay, replace control unit.
  8. If lamp stays off and momentarily flashes on, turn ignition switch "OFF". Check that each harness connector is connected securely. Disconnect ECC 20-pin connector from control unit.
  9. Disconnect exhaust gas sensor harness connector. Using jumper wire, connect terminal for exhaust gas sensor to ground. Check for continuity between terminal No. 2 of ECC 20-pin connector and ground.
  10. If continuity exists, replace exhaust gas sensor. If not, repair or replace ECC harness. If lamp still momentarily flashes on, remove coolant temperature sensor. Immerse sensor end and thermometer into container of water.
  11. With water temperature below 68°F (20°C), check that resistance is 2100-2900 ohms. Heat water to 122°F (50°C). Check that resistance is 680-1000 ohms. If okay, repair or replace ECC harness. If not, replace coolant temperature sensor.