lemon-mirror:
Home >> Nissan-Datsun >> 1987 >> Sentra Base >> Repair and Diagnosis >> Engine Performance >> System >> ECC CEC System >> Wiring Diagrams

Wiring Diagrams

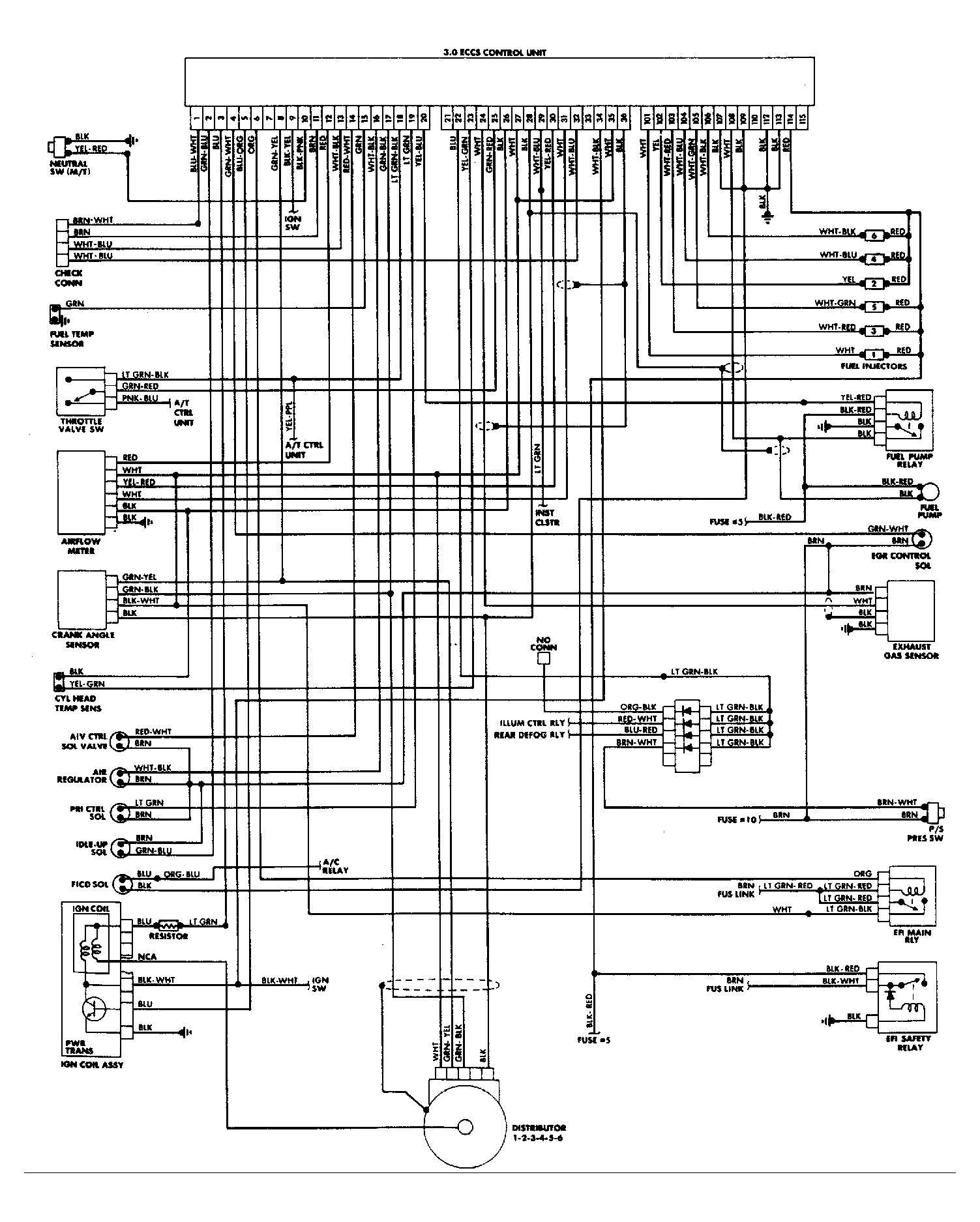
Fig 1: Maxima ECCS Wiring Diagram
G61805
Fig 2: Pulsar NX & Sentra (E16i) ECCS Wiring Diagram
G61808
Fig 3: Pulsar NX SE ECCS Wiring Diagram
G61809
Fig 4: Stanza ECCS Wiring Diagram
G61810
Fig 5: Stanza Wagon ECCS Wiring Diagram
G61811
Fig 6: Van ECCS Wiring Diagram
G61812
Fig 7: 200SX SE ECCS Wiring Diagram
G61813
Fig 8: 200SX XE ECCS Wiring Diagram
G61814
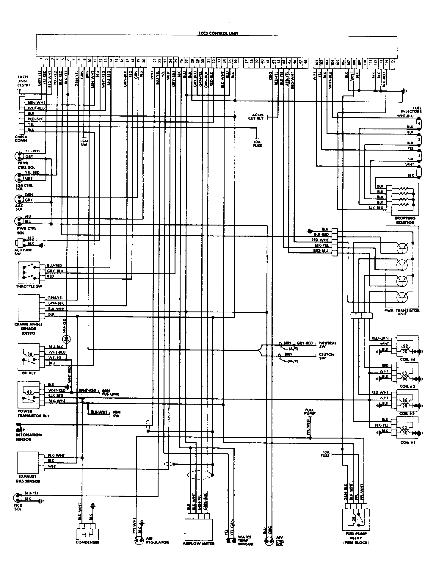
Fig 9: 300ZX & 300ZX Turbo ECCS Wiring Diagram
G50E06749