lemon-mirror:
Home >> Nissan-Datsun >> 1990 >> 300ZX Base, Automatic >> Repair and Diagnosis >> Engine Performance >> System >> Engine Controls - Tests W/Codes >> Code Charts >> Code 11: Crank Angle Sensor

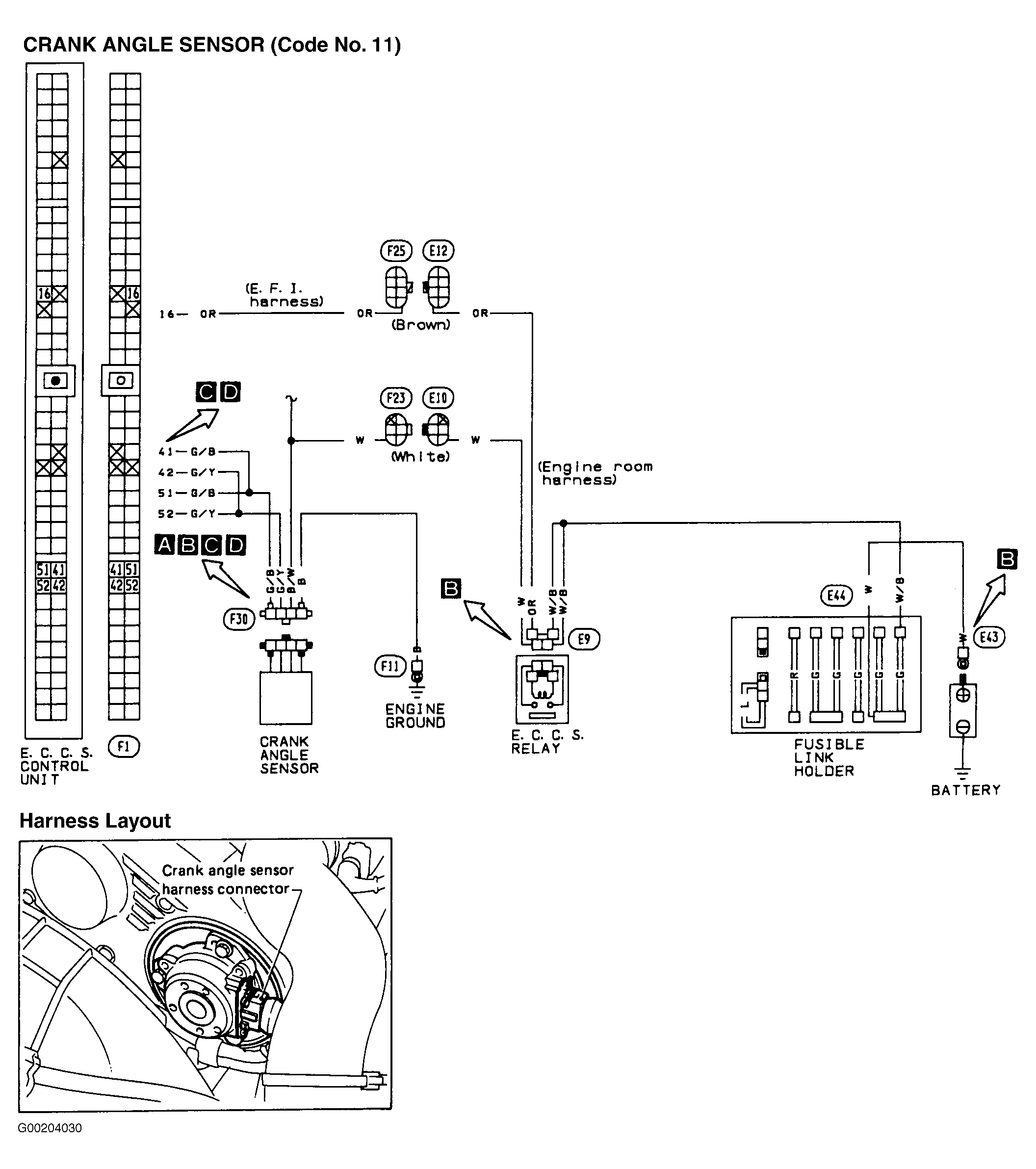
Code 11: Crank Angle Sensor

Fig 1: Code 11: Crank Angle Sensor Test (1 of 2)
G00204030Courtesy of NISSAN MOTOR CO., U.S.A.
Fig 2: Code 11: Crank Angle Sensor Test (2 of 2)
G90D19730Courtesy of NISSAN MOTOR CO., U.S.A.