lemon-mirror:
Home >> Nissan-Datsun >> 1990 >> Sentra Base >> Repair and Diagnosis >> Body & Frame >> Power Windows >> Connector Identification

Connector Identification

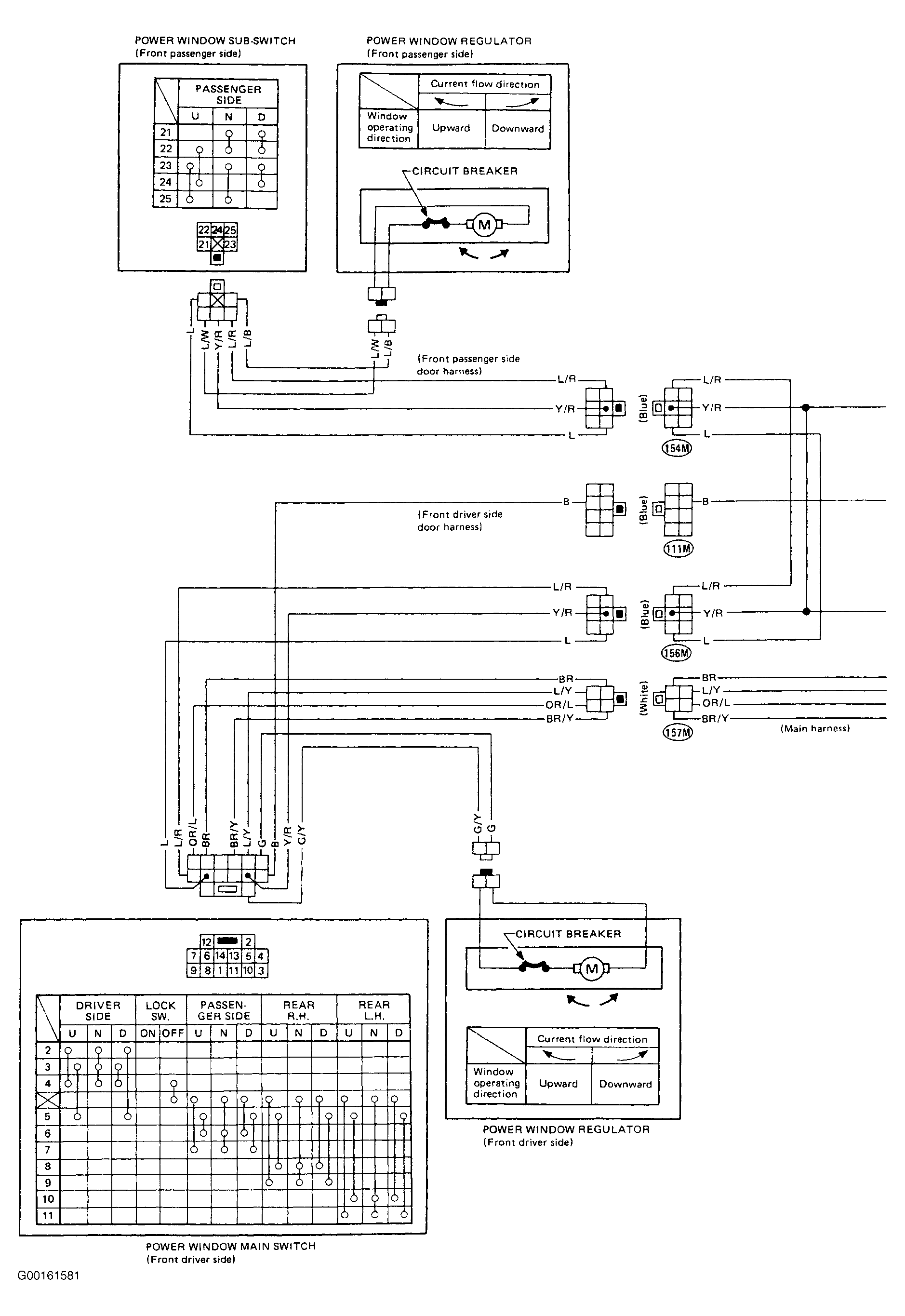
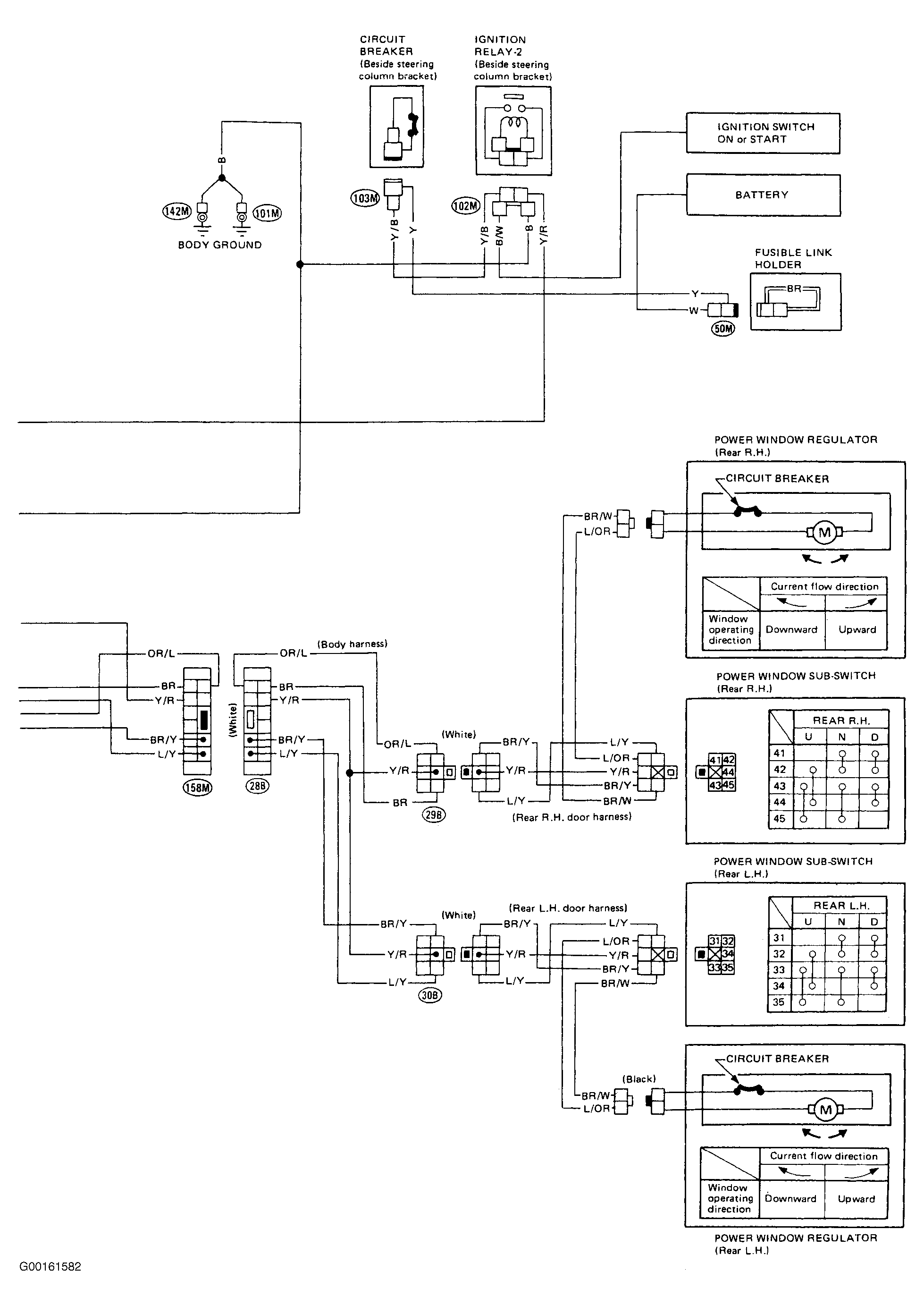
For connector identification, see Figure and Figure .