lemon-mirror:
Home >> Nissan-Datsun >> 1991 >> Sentra SE-R >> Repair and Diagnosis >> Engine Mechanical >> Engine Cooling Fan >> System Testing >> 300ZX

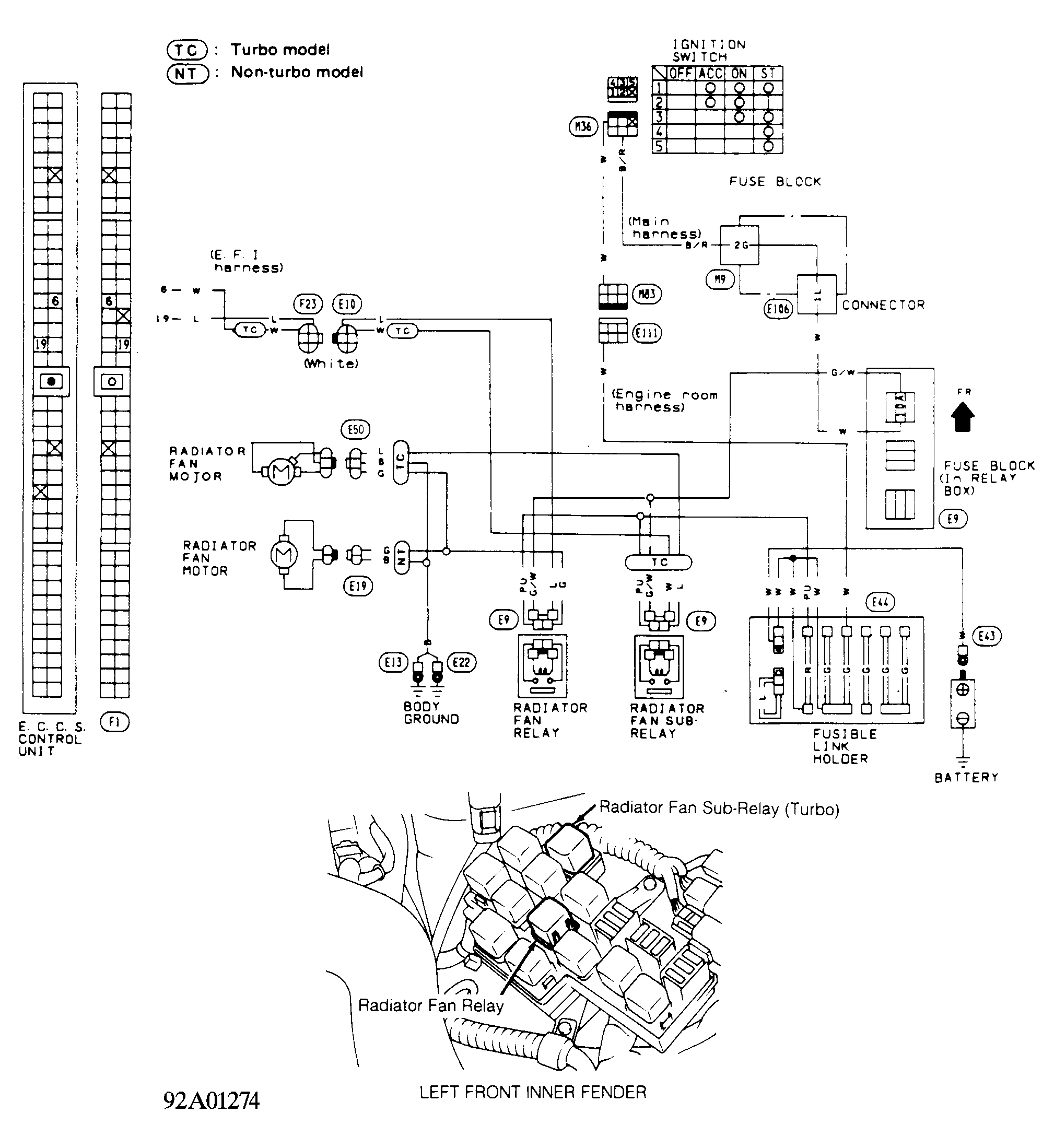
System Testing: 300ZX

Warm engine to operating temperature. Cooling fan should run. If cooling fan does not operate, check power supplies, grounds, relays, radiator fan switches and motors. If no faults are found, check component wiring. See Figure .