lemon-mirror:
Home >> Nissan-Datsun >> 1992 >> Sentra SE-R >> Repair and Diagnosis >> Body & Frame >> Power Windows & Door Locks >> Component Tests >> Notes

Component Tests: Notes

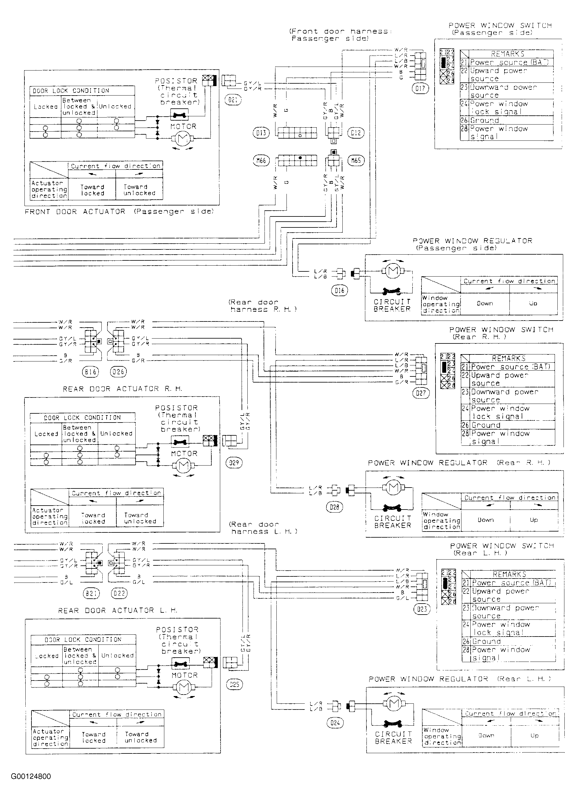
For additional component tests, see Figure -Figure .