lemon-mirror:
Home >> Nissan-Datsun >> 2002 >> Sentra SE-R, Automatic >> Repair and Diagnosis >> External Pages >> Different car >> Section 1083 (Navigation System) >> Navigation System >> Schematic

Navigation System: Schematic

WARNING: This page is about a different car, the 2004 Nissan Quest. However, it is still accessible from the selected car via links, so may be relevant.
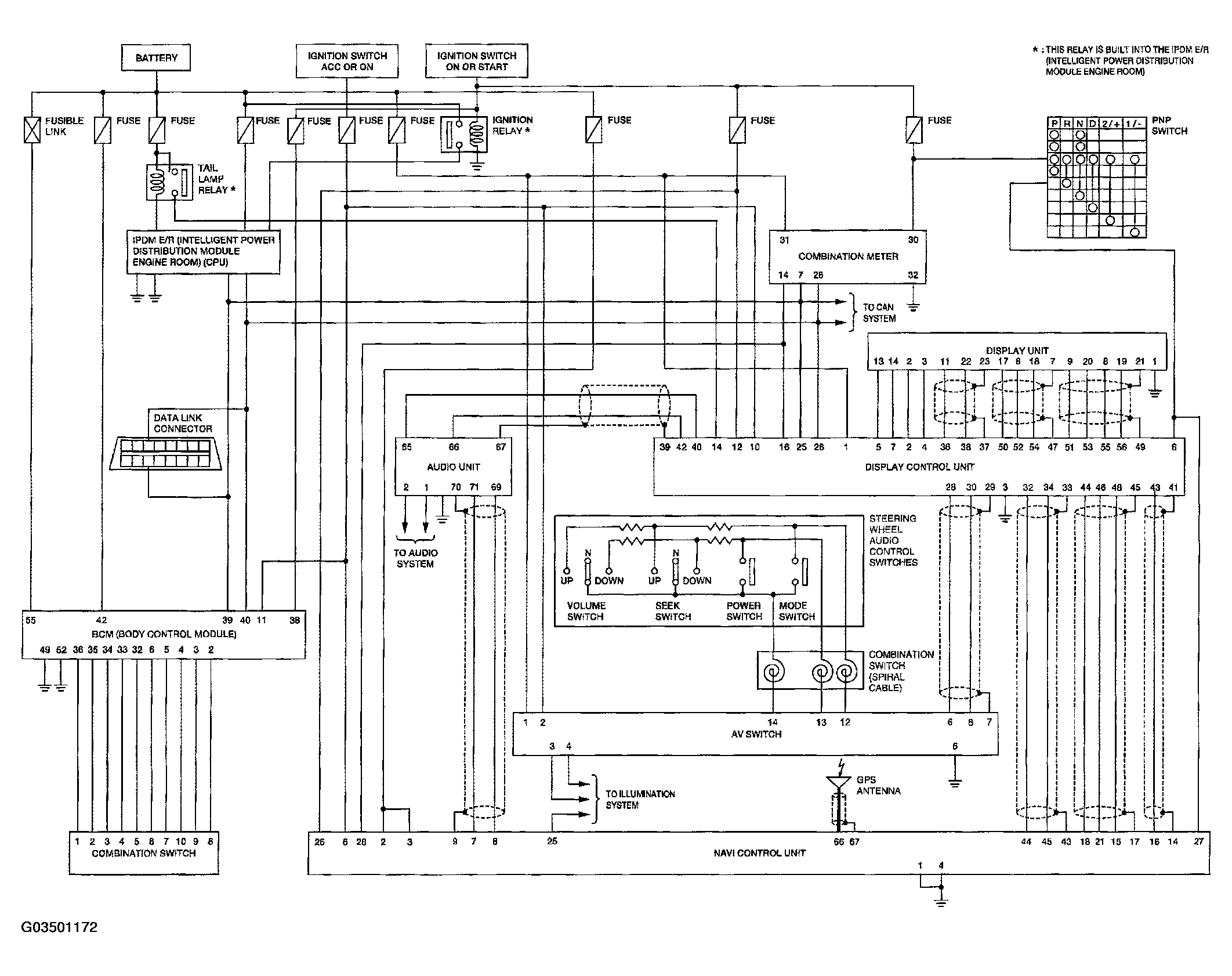
Fig 1: Navigation System Schematic Diagram
G03501172Courtesy of NISSAN MOTOR CO., U.S.A.


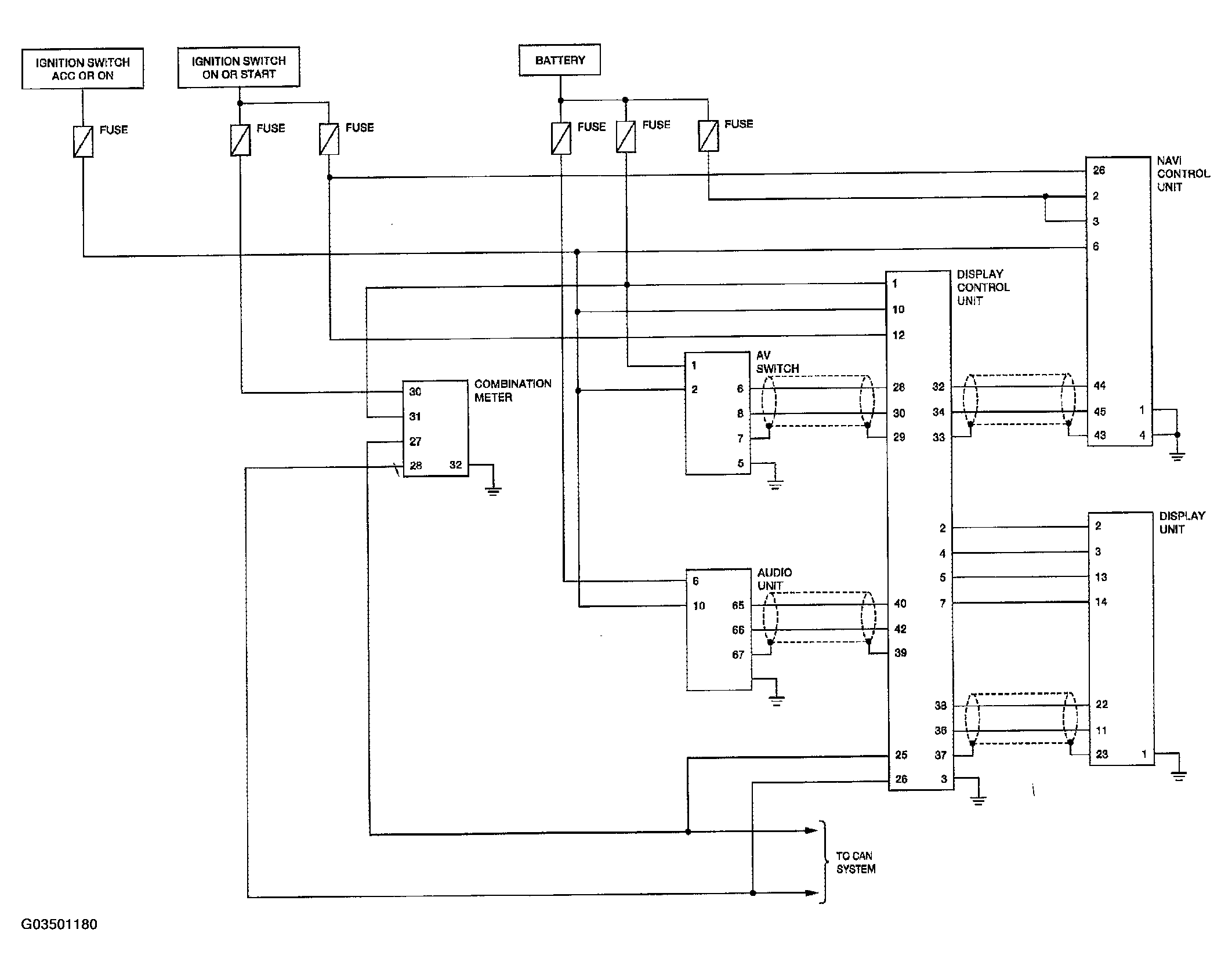
Fig 1: Navigation System Schematic Diagram
G03501180Courtesy of NISSAN MOTOR CO., U.S.A.