lemon-mirror:
Home >> Nissan-Datsun >> 2002 >> Sentra SE-R, Automatic >> Repair and Diagnosis >> External Pages >> Different car >> Section 1140 (Audio System) >> Audio >> Schematic >> BOSE System Without Navigation System

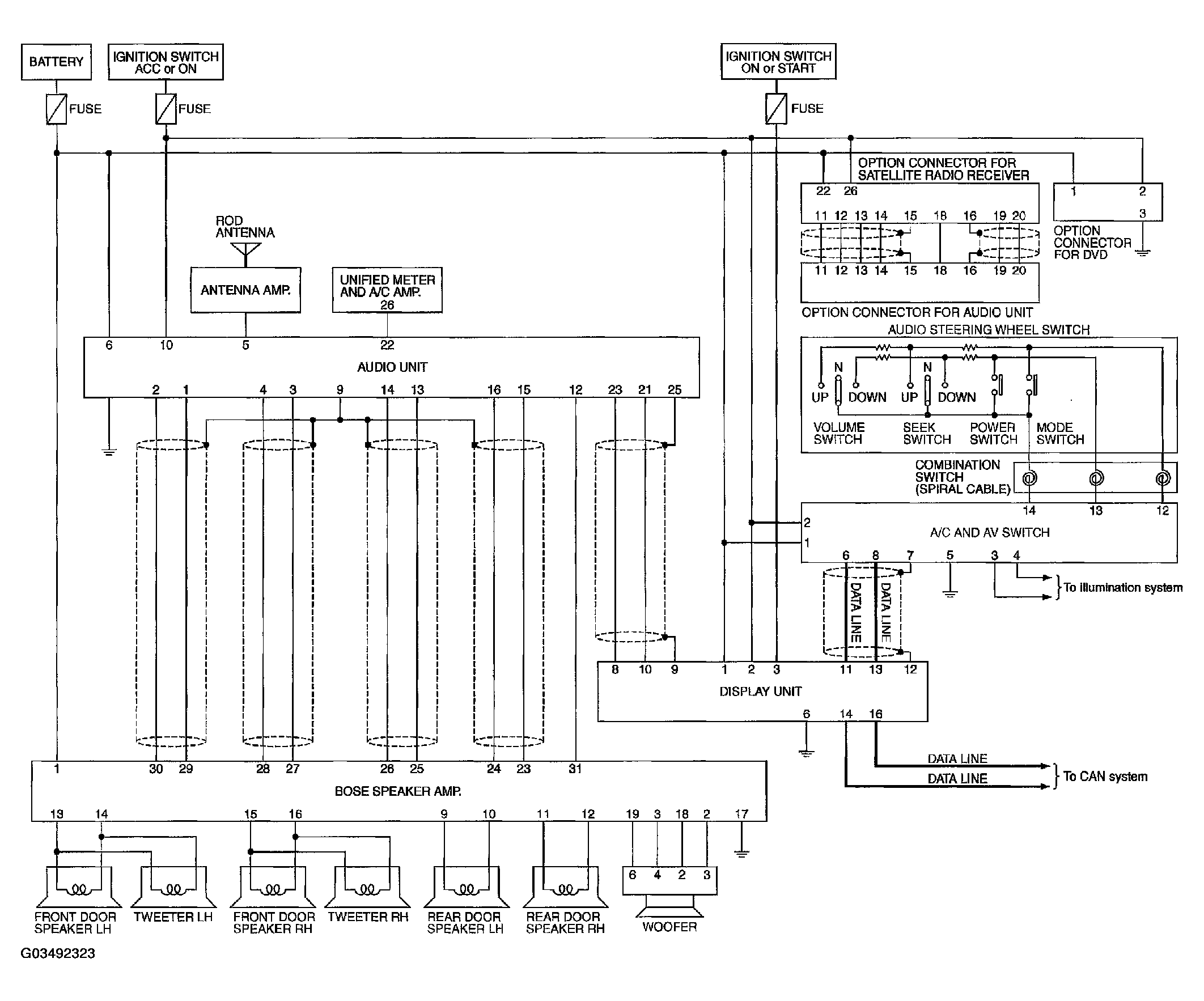
BOSE System Without Navigation System

WARNING: This page is about a different car, the 2004 Nissan Murano. However, it is still accessible from the selected car via links, so may be relevant.
Fig 1: Bose System Without Navigation System Schematic
G03492323Courtesy of NISSAN MOTOR CO., U.S.A.