lemon-mirror:
Home >> Nissan-Datsun >> 2002 >> Sentra SE-R, Automatic >> Repair and Diagnosis >> External Pages >> Different car >> Section 1276 (Audio) >> Schematic >> Base System

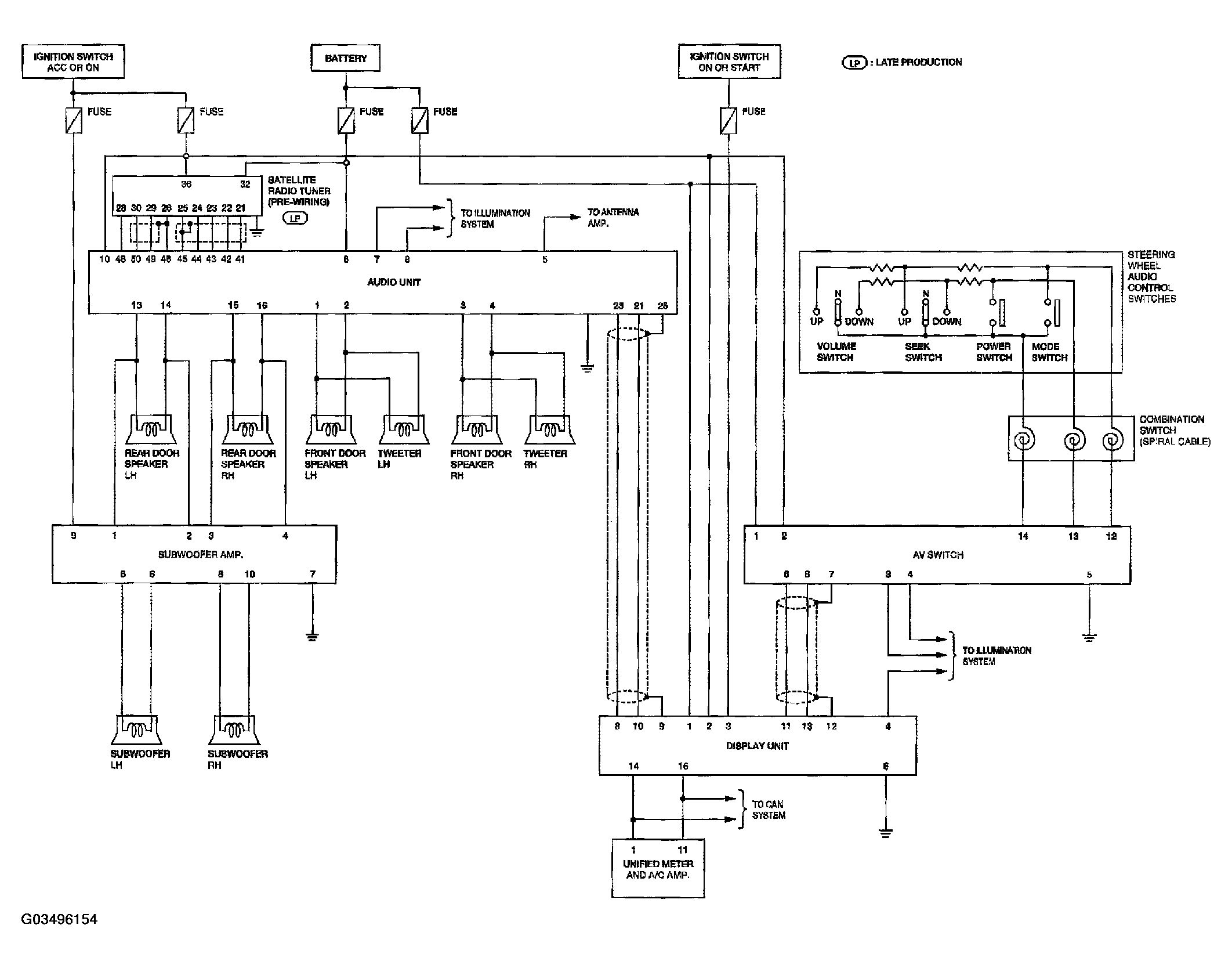
Base System

WARNING: This page is about a different car, the 2004 Nissan Maxima. However, it is still accessible from the selected car via links, so may be relevant.
Fig 1: Base System Schematic
G03496154Courtesy of NISSAN MOTOR CO., U.S.A.