lemon-mirror:
Home >> Nissan-Datsun >> 2002 >> Sentra SE-R, Automatic >> Repair and Diagnosis >> External Pages >> Different car >> Section 1580 (Body Control System) >> BCM (Body Control Module) >> Schematic

BCM (Body Control Module): Schematic

WARNING: This page is about a different car, the 2005 Nissan Titan. However, it is still accessible from the selected car via links, so may be relevant.
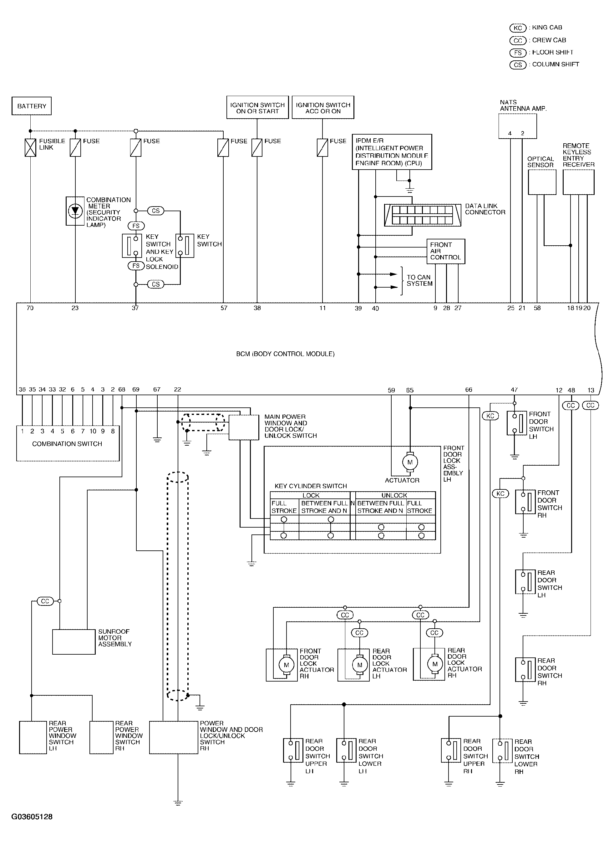
Fig 1: BCM System Schematic (1 Of 2)
G03605128Courtesy of NISSAN MOTOR CO., U.S.A.
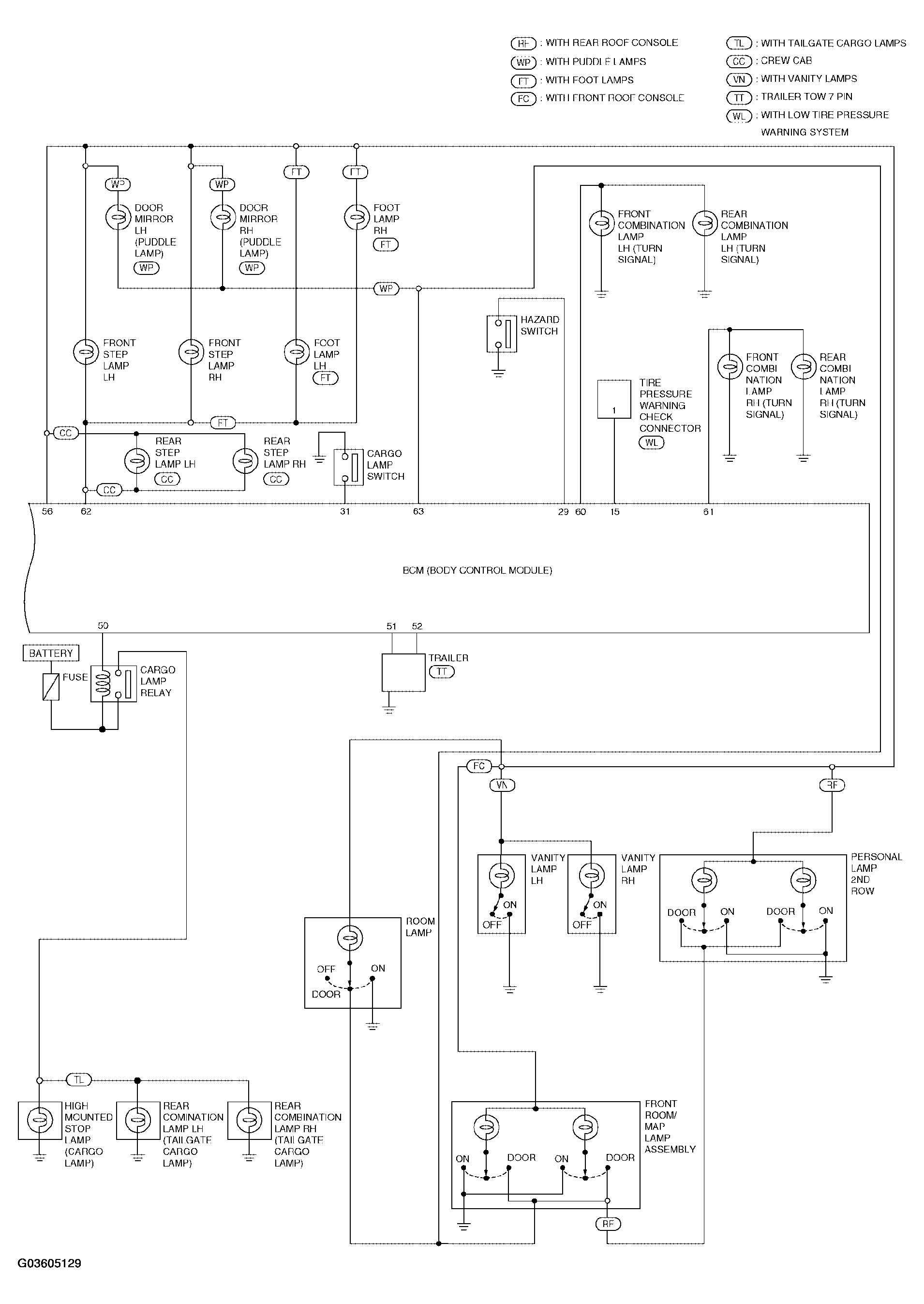
Fig 2: BCM System Schematic (2 Of 2)
G03605129Courtesy of NISSAN MOTOR CO., U.S.A.