lemon-mirror:
Home >> Nissan-Datsun >> 2002 >> Sentra SE-R, Automatic >> Repair and Diagnosis >> External Pages >> Different variant/trim >> Section 10 (Automatic Transaxle Re4F03B) >> Control Valve Upper Body >> Components

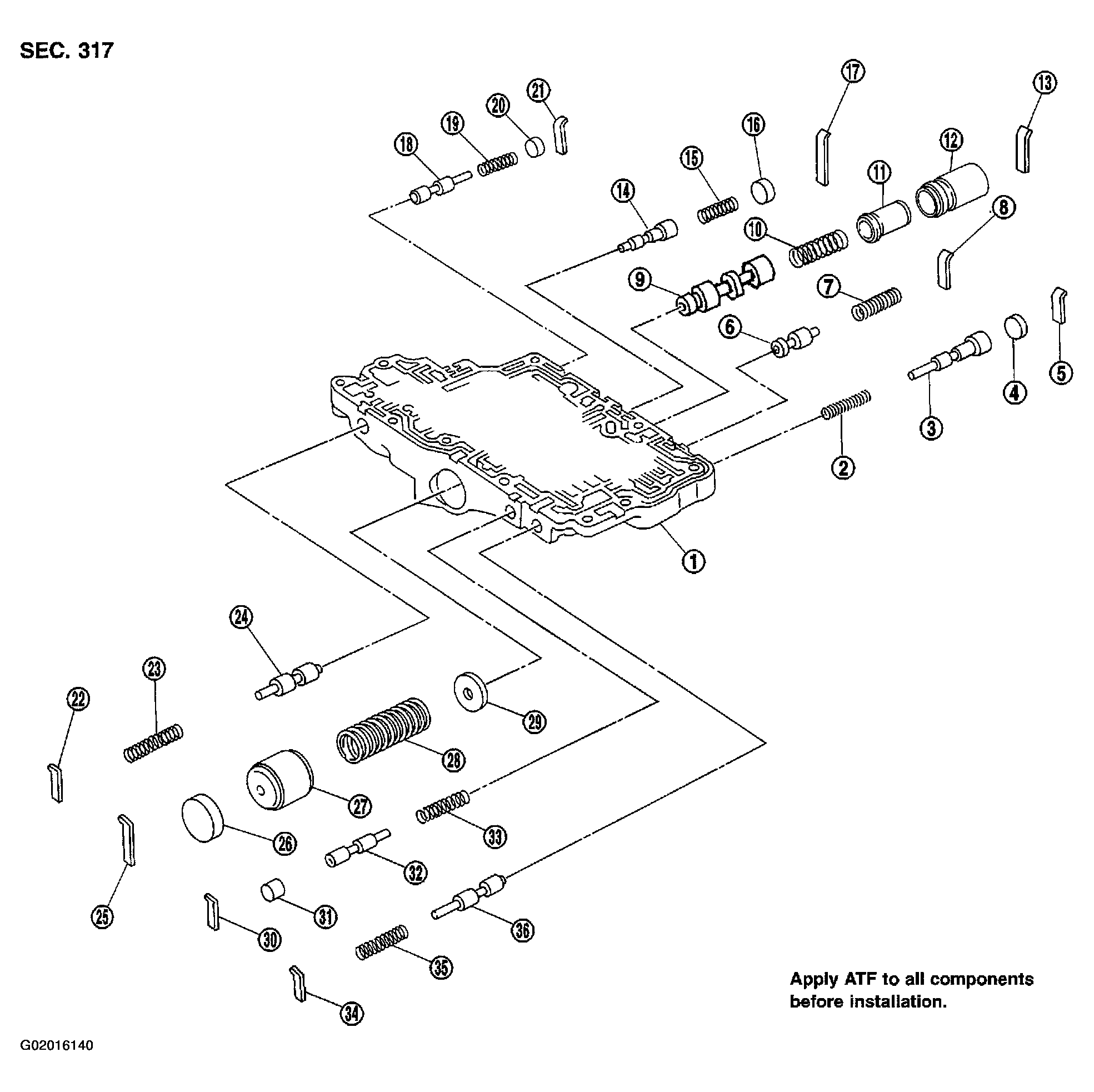
Control Valve Upper Body: Components

WARNING: This page is about a different variant/trim than selected.

Numbers preceding valve springs correspond with those shown in CONTROL VALVE AND PLUG RETURN SPRINGS .

Fig 1: Exploded View Of Control Valve Upper Body Components
G02016140Courtesy of NISSAN MOTOR CO., U.S.A.