lemon-mirror:
Home >> Nissan-Datsun >> 2003 >> Sentra SE-R Spec V >> Repair and Diagnosis >> Accessories & Equipment >> Anti-Theft Systems >> Remote Keyless Entry System >> Remote Keyless Entry System >> Schematic

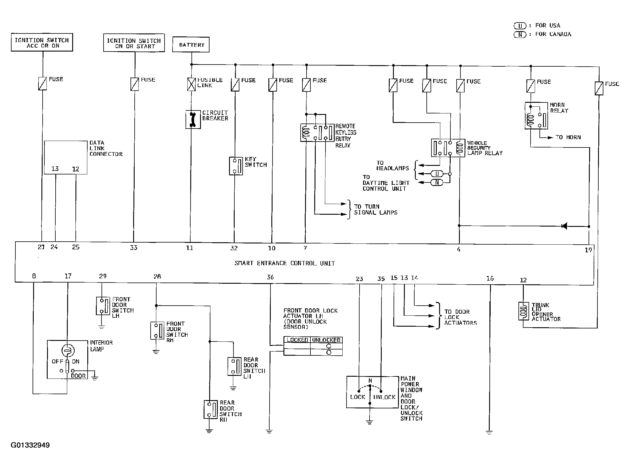
Remote Keyless Entry System: Schematic

Fig 1: Remote Keyless Entry System Schematic Diagram
G01332949Courtesy of NISSAN MOTOR CO., U.S.A.