lemon-mirror:
Home >> Nissan-Datsun >> 2003 >> Sentra SE-R, Automatic >> Repair and Diagnosis >> External Pages >> Different car >> Section 1630 (Lighting System) >> Auto Light System >> Schematic

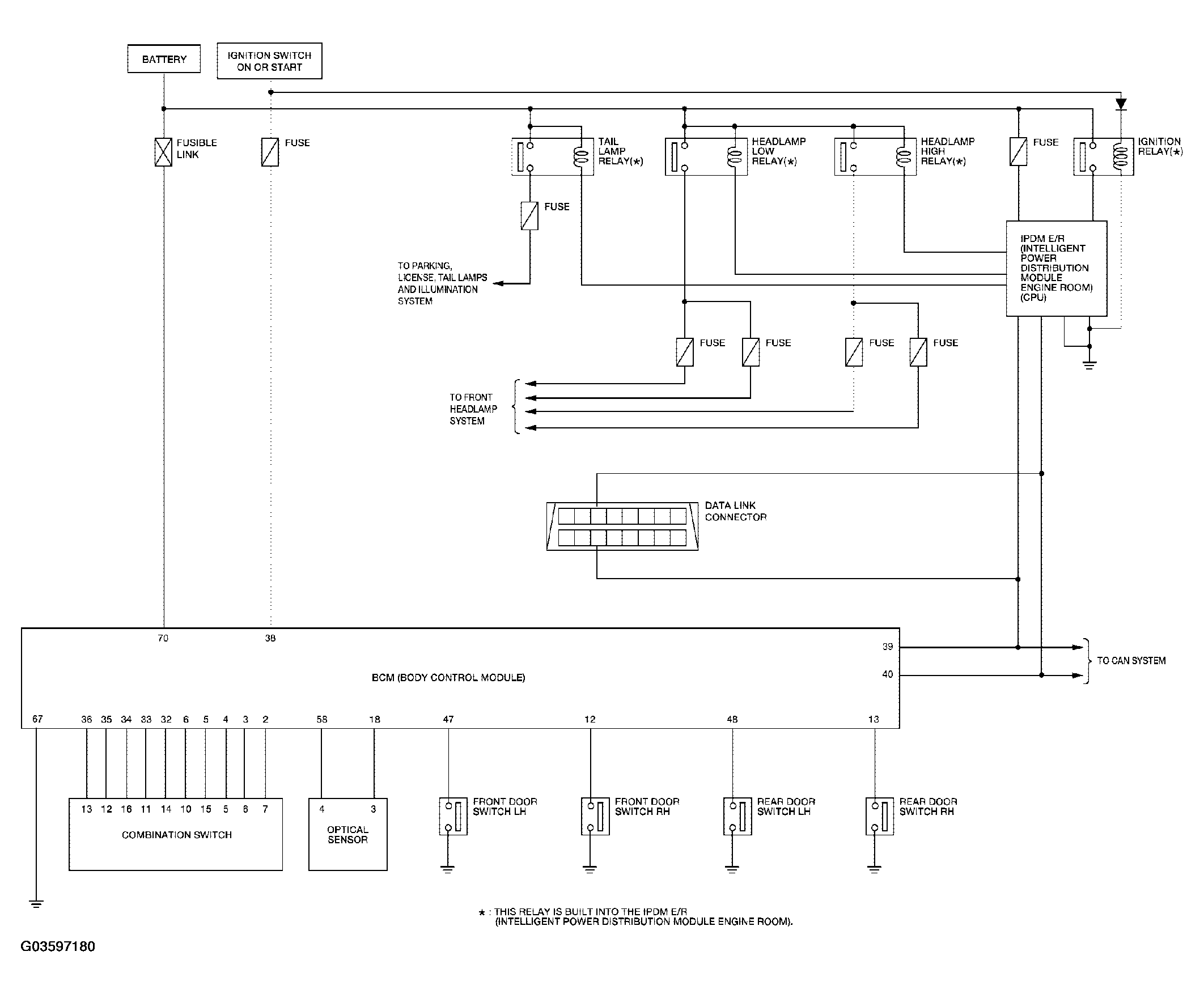
Auto Light System: Schematic

WARNING: This page is about a different car, the 2005 Nissan Frontier. However, it is still accessible from the selected car via links, so may be relevant.
Fig 1: Auto Light System - Schematic Diagram
G03597180Courtesy of NISSAN MOTOR CO., U.S.A.