lemon-mirror:
Home >> Nissan-Datsun >> 2004 >> Frontier Base, Automatic >> Repair and Diagnosis >> Engine Performance >> Engine Control System - KA24DE >> Engine Control System >> System Diagram

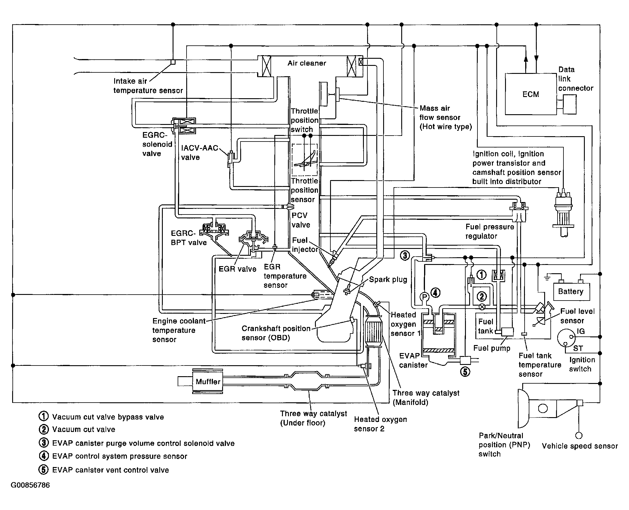
System Diagram

Fig 1: Engine Control System Diagram
G00856786Courtesy of NISSAN MOTOR CO., U.S.A.