lemon-mirror:
Home >> Nissan-Datsun >> 2004 >> Maxima SE, Automatic >> Repair and Diagnosis >> Engine Performance >> System >> Engine Controls - System & Component Testing >> ASCD Indicator >> Wiring Diagram

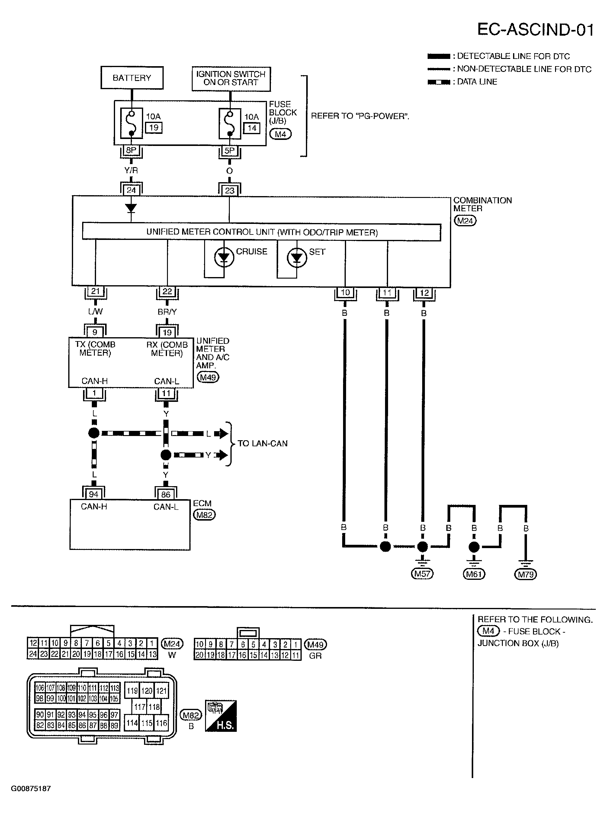
ASCD Indicator: Wiring Diagram

For system wiring diagrams, see SYSTEM WIRING DIAGRAMS .

Fig 1: Wiring Diagram
G00875187Courtesy of NISSAN MOTOR CO., U.S.A.