lemon-mirror:
Home >> Nissan-Datsun >> 2004 >> Pathfinder LE, RWD >> Repair and Diagnosis >> Engine Performance >> System >> Engine Control System >> Electrical Load Signal >> Wiring Diagram

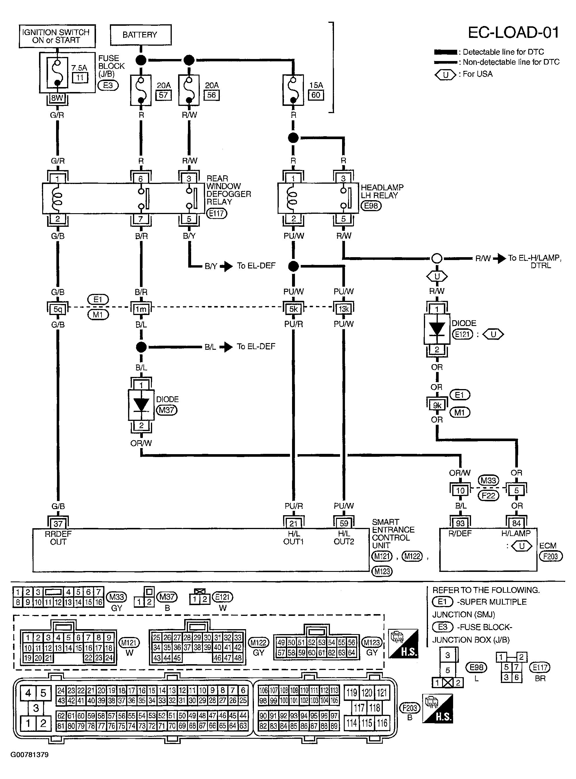
Electrical Load Signal: Wiring Diagram

Fig 1: Wiring Diagram - Electrical Load Signal
G00781379Courtesy of NISSAN MOTOR CO., U.S.A.