lemon-mirror:
Home >> Nissan-Datsun >> 2004 >> Pathfinder LE, RWD >> Repair and Diagnosis >> Engine Performance >> System >> Engine Control System >> Engine And Emission Control Overall System >> Circuit Diagram

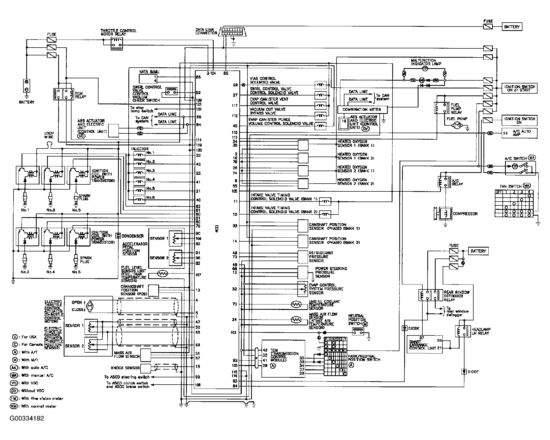
Circuit Diagram

Fig 1: Circuit Diagram
G00334182Courtesy of NISSAN MOTOR CO., U.S.A.