lemon-mirror:
Home >> Nissan-Datsun >> 2004 >> Pathfinder LE, RWD >> Repair and Diagnosis >> Engine Performance >> System >> Engine Control System >> Fuel Pump >> Wiring Diagram

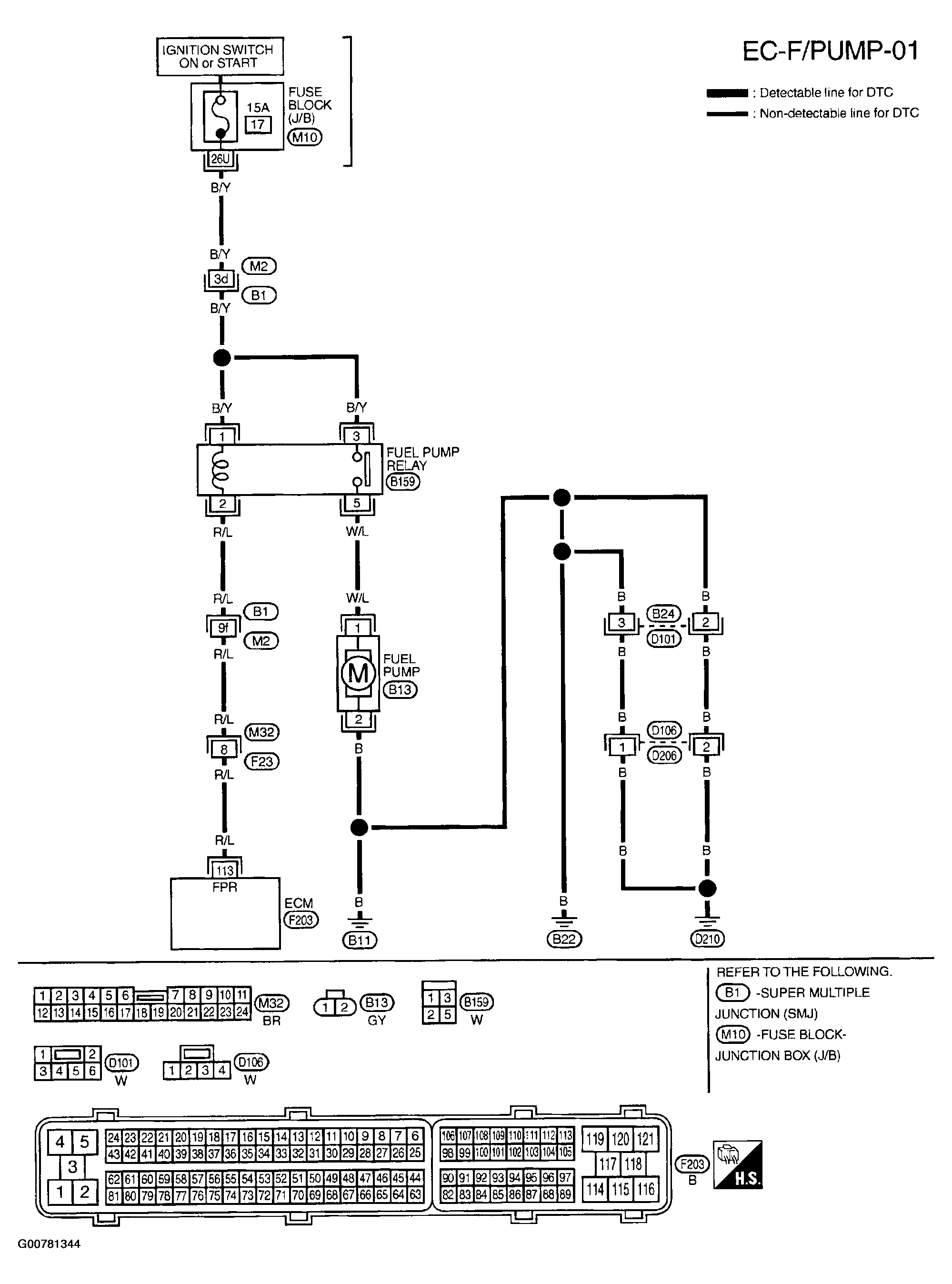
Fuel Pump: Wiring Diagram

Fig 1: Wiring Diagram - Fuel Pump
G00781344Courtesy of NISSAN MOTOR CO., U.S.A.