lemon-mirror:
Home >> Nissan-Datsun >> 2004 >> Quest SL >> Repair and Diagnosis >> Engine Performance >> System >> Engine Control System >> Injector Circuit >> Wiring Diagram

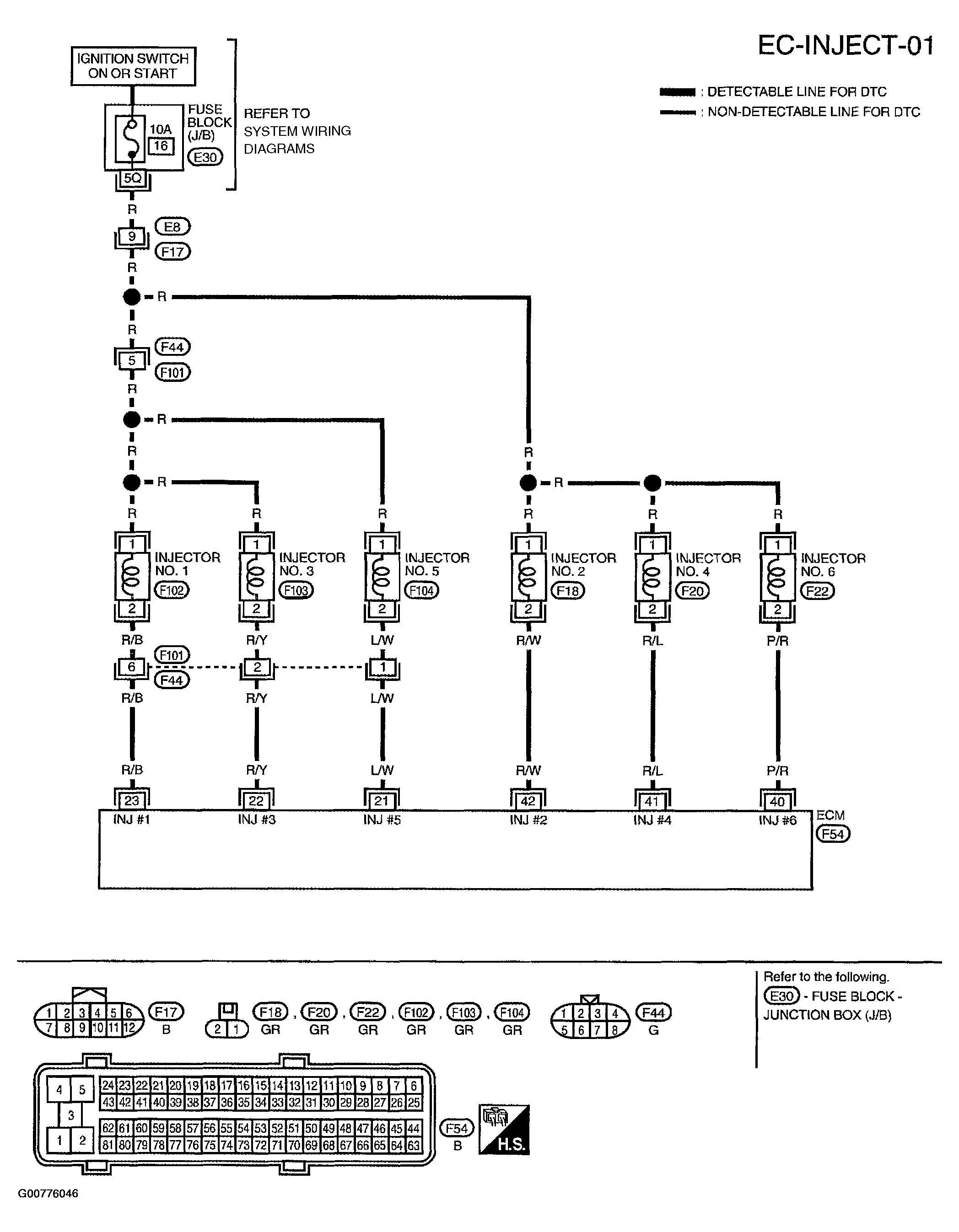
Injector Circuit: Wiring Diagram

Fig 1: Displaying EC-INJECT-01 Wiring Diagram
G00776046Courtesy of NISSAN MOTOR CO., U.S.A.

Specification data are reference values and are measured between each terminal and ground. Pulse signal is measured by CONSULT-II.

CAUTION: Do not use ECM ground terminals when measuring input/output voltage. Doing so may result in damage to the ECM's transistor. Use a ground other than ECM terminals, such as the ground.
Fig 2: Identifying Terminal Specifications
G00776047Courtesy of NISSAN MOTOR CO., U.S.A.