lemon-mirror:
Home >> Nissan-Datsun >> 2004 >> Quest SL >> Repair and Diagnosis >> Engine Performance >> System >> Engine Control System >> Mil And Data Link Connector >> Wiring Diagram

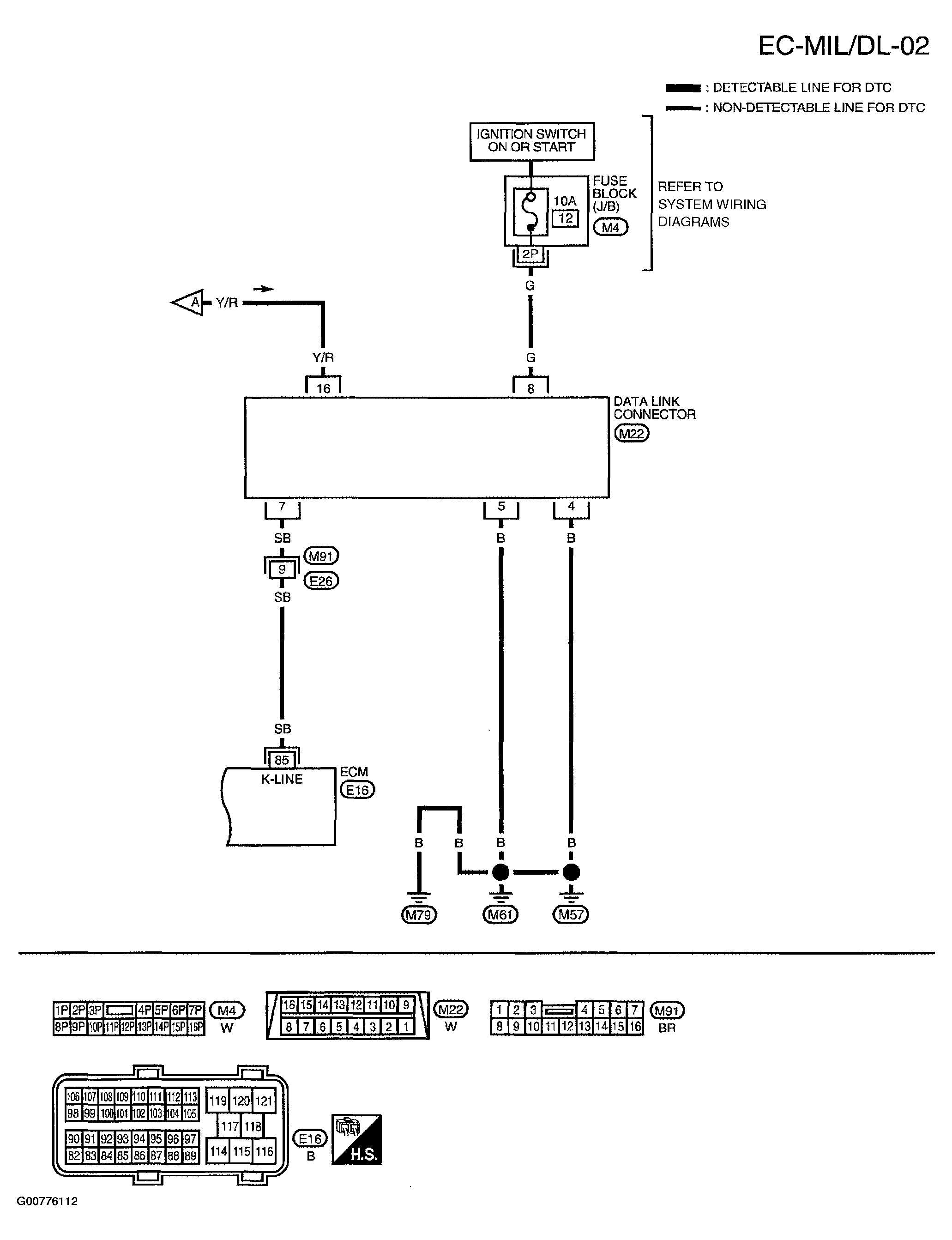
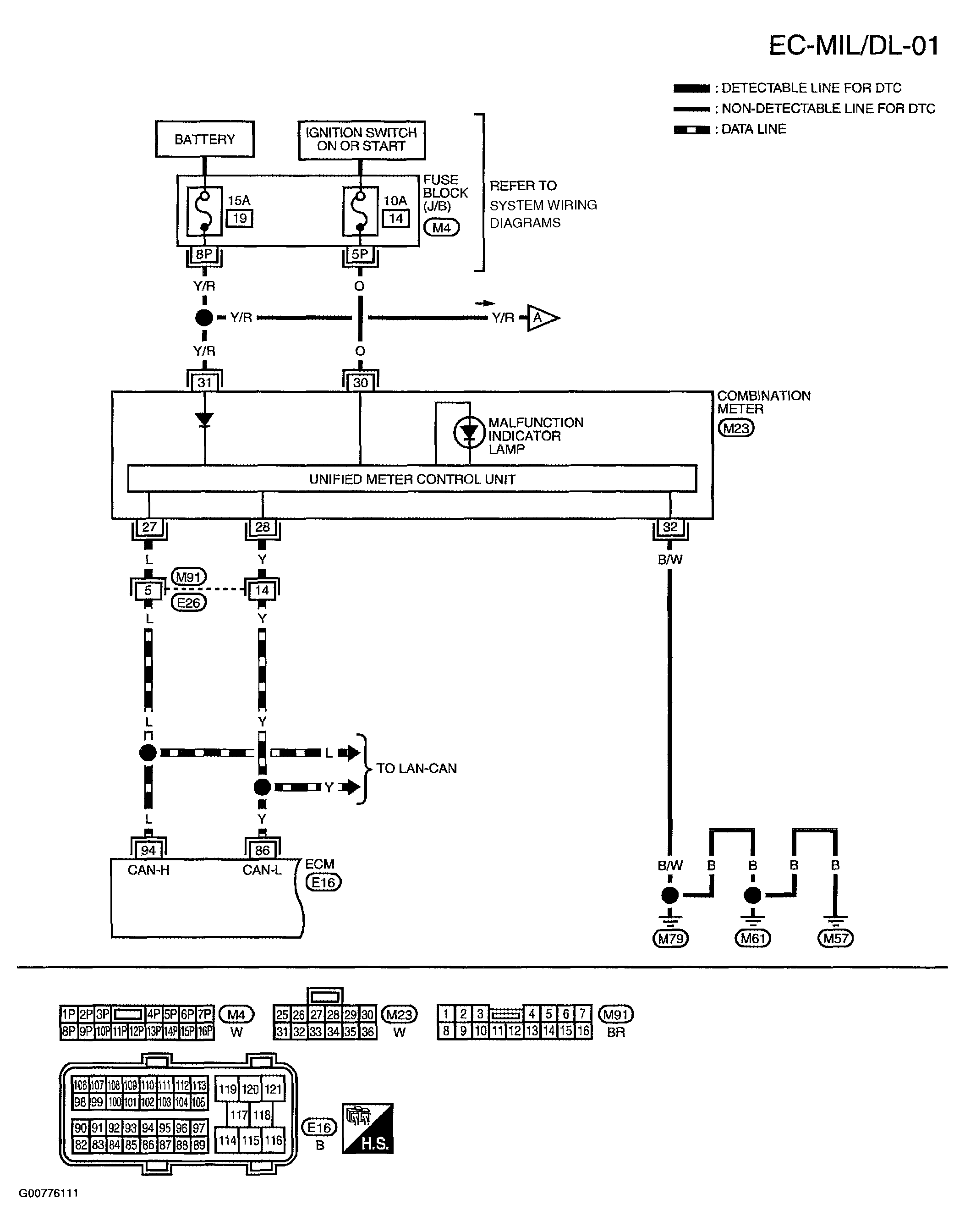
Mil And Data Link Connector: Wiring Diagram

Fig 1: Displaying EC-MIL/DL-01 Wiring Diagram
G00776111Courtesy of NISSAN MOTOR CO., U.S.A.
Fig 2: Displaying EC-MIL/DL-02 Wiring Diagram
G00776112Courtesy of NISSAN MOTOR CO., U.S.A.