lemon-mirror:
Home >> Nissan-Datsun >> 2004 >> Quest SL >> Repair and Diagnosis >> Engine Performance >> System >> Engine Control System >> Refrigerant Pressure Sensor >> Wiring Diagram

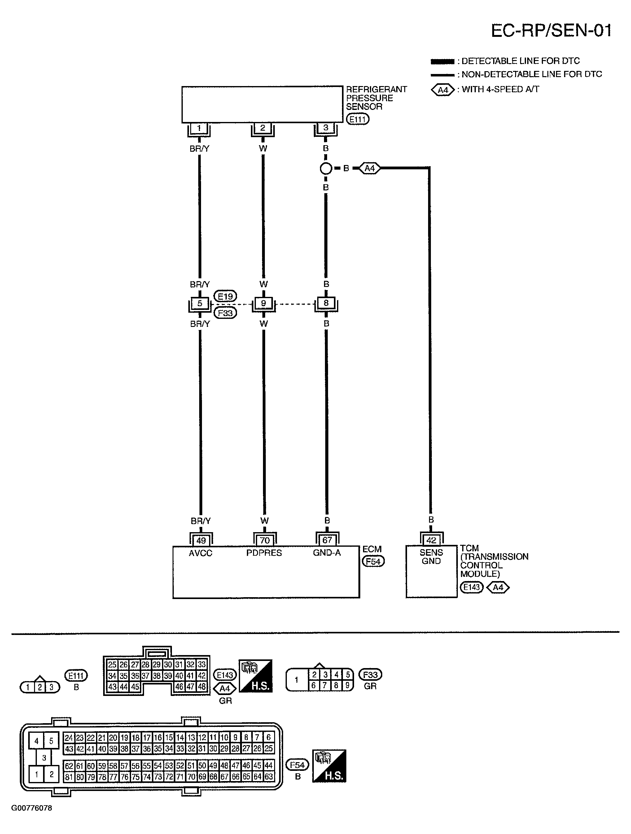
Refrigerant Pressure Sensor: Wiring Diagram

Fig 1: Displaying EC-RP/SEN-01 Wiring Diagram
G00776078Courtesy of NISSAN MOTOR CO., U.S.A.

Specification data are reference values and are measured between each terminal and ground.

CAUTION: Do not use ECM ground terminals when measuring input/output voltage. Doing so may result in damage to the ECM's transistor. Use a ground other than ECM terminals, such as the ground.
Fig 2: Identifying Terminal Specifications
G00776079Courtesy of NISSAN MOTOR CO., U.S.A.