lemon-mirror:
Home >> Nissan-Datsun >> 2004 >> Sentra Base, Automatic >> Repair and Diagnosis >> Engine Performance >> System >> Engine Control System - QG18DE >> ASCD Brake Switch >> Wiring Diagram

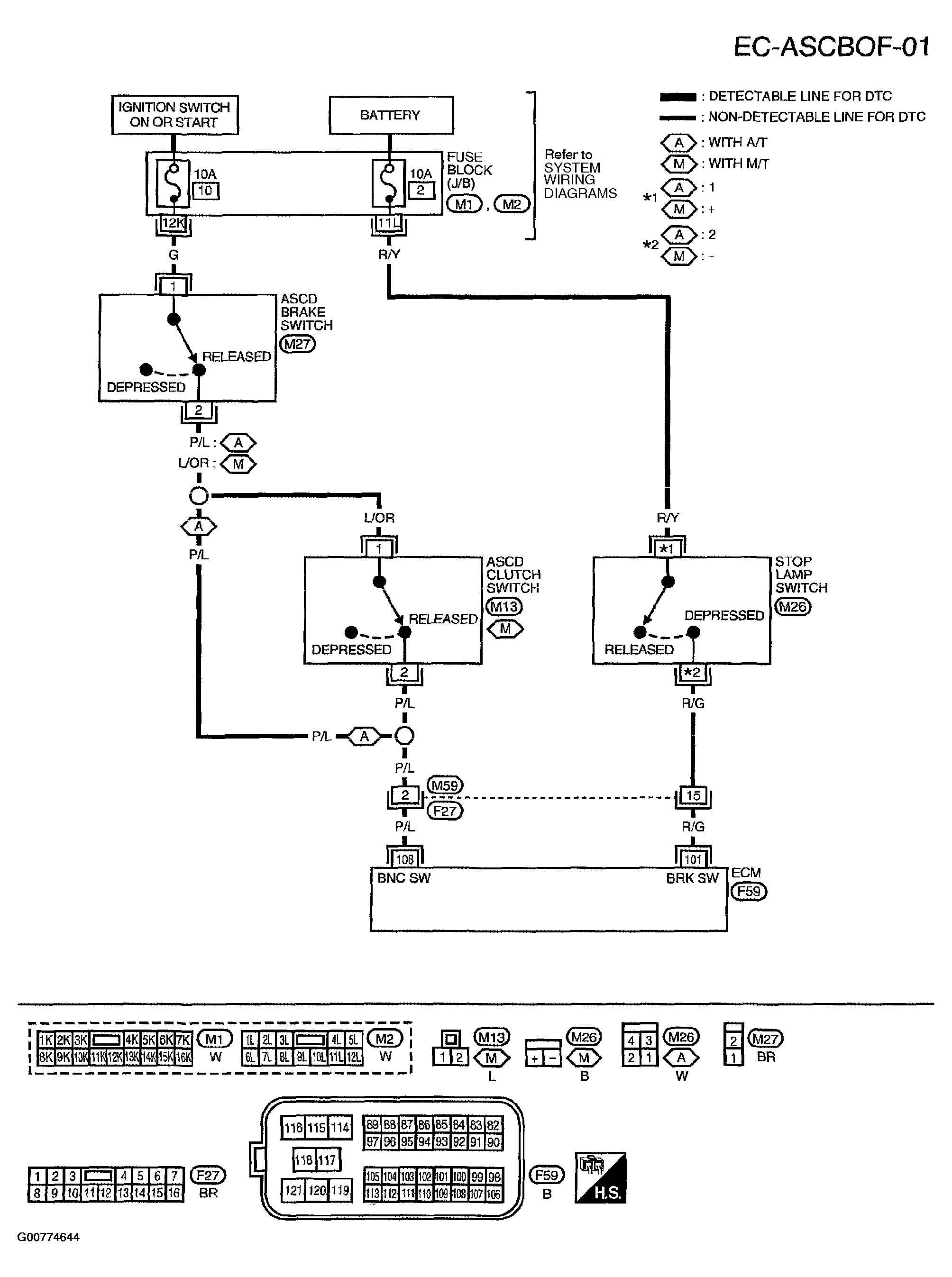
ASCD Brake Switch: Wiring Diagram

Fig 1: Wiring Diagram - ASCD Brake Switch
G00774644Courtesy of NISSAN MOTOR CO., U.S.A.

Specification data are reference values and are measured between each terminal and ground.

CAUTION: Do not use ECM ground terminals when measuring input/output voltage. Doing so may result in damage to the ECM's transistor. Use a ground other than ECM terminals, such as the ground.
Fig 2: Terminals Voltage Conditions Chart
G00774645Courtesy of NISSAN MOTOR CO., U.S.A.