lemon-mirror:
Home >> Nissan-Datsun >> 2004 >> Sentra SE-R >> Repair and Diagnosis >> Brakes >> Traction Control >> Brake Control System - Abs & Abs/TCS >> Description >> Schematic

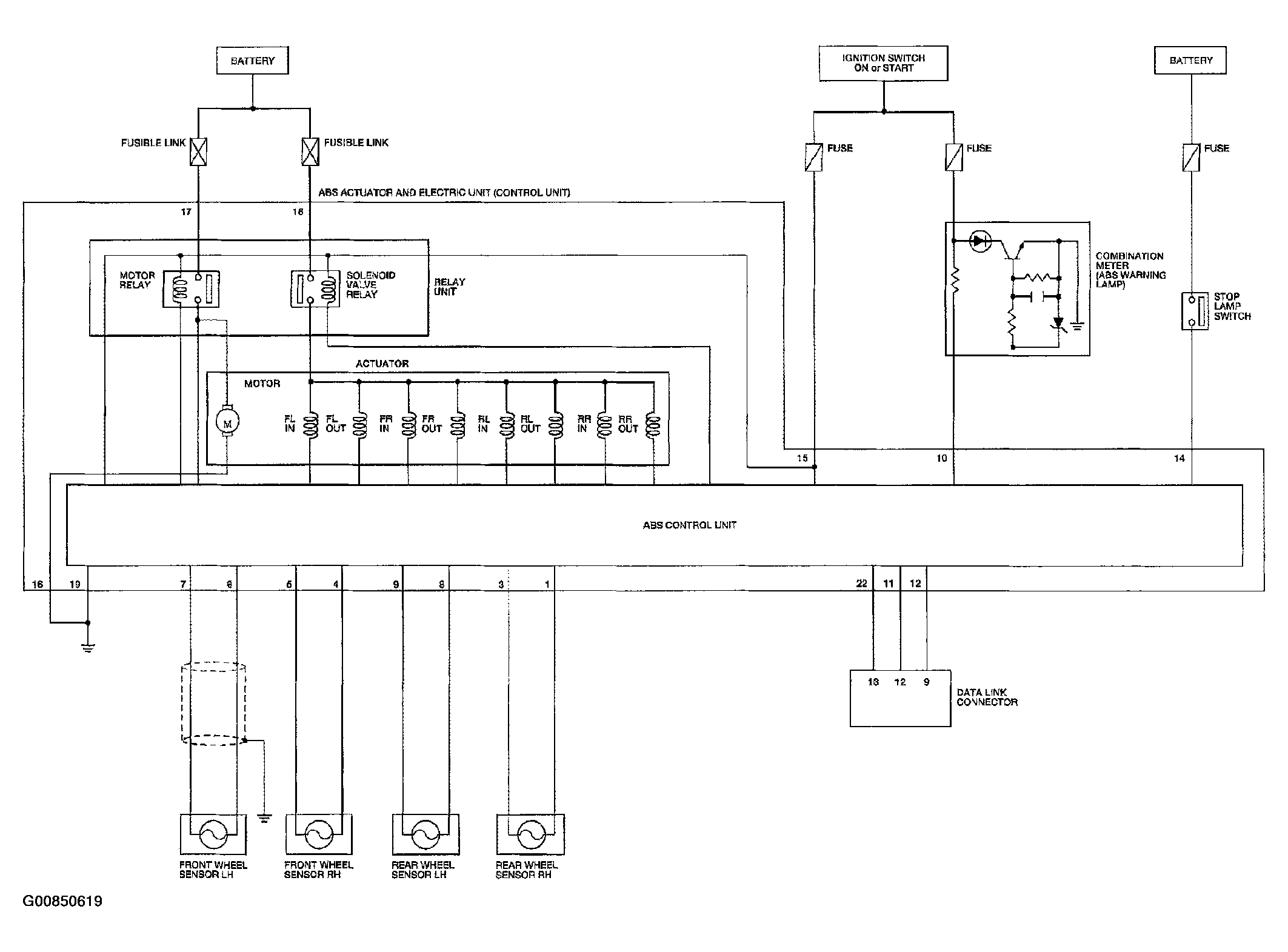
Brake Control System - Abs & Abs/TCS: Description: Schematic

Fig 1: Schematic Diagram
G00850619Courtesy of NISSAN MOTOR CO., U.S.A.