lemon-mirror:
Home >> Nissan-Datsun >> 2004 >> Sentra SE-R >> Repair and Diagnosis >> External Pages >> Different car >> Section 1030 (Navigation System) >> Navigation System >> Schematic-NAVI-

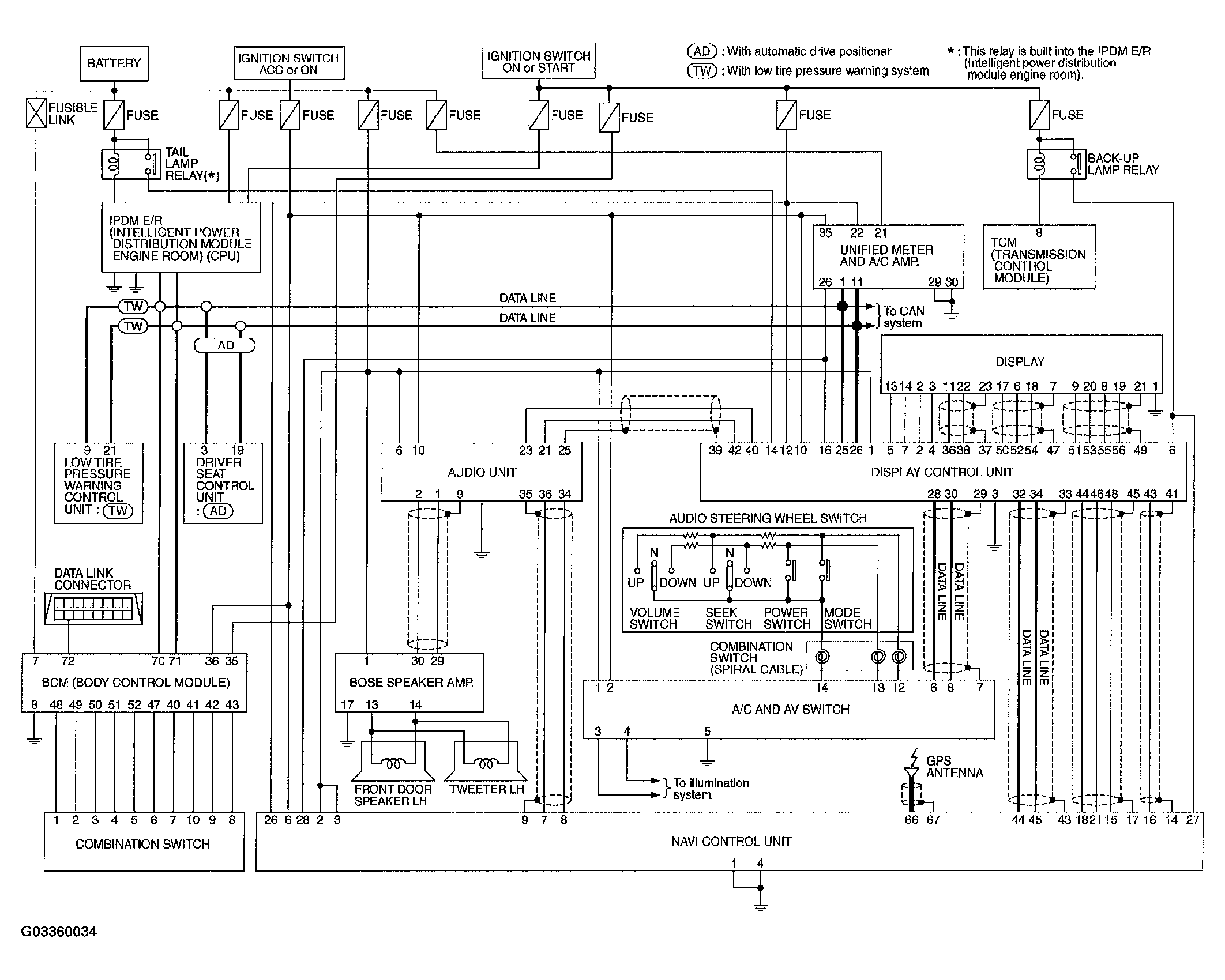
Navigation System: Schematic-NAVI-

WARNING: This page is about a different car, the 2003 Nissan Murano. However, it is still accessible from the selected car via links, so may be relevant.
Fig 1: Navigation System Schematic
G03360034Courtesy of NISSAN MOTOR CO., U.S.A.