lemon-mirror:
Home >> Nissan-Datsun >> 2004 >> Sentra SE-R >> Repair and Diagnosis >> External Pages >> Different car >> Section 1121 (Remote Keyless Entry System) >> Remote Keyless Entry System >> Wiring Diagram-KEYLESS-

Wiring Diagram-KEYLESS-

WARNING: This page is about a different car, the 2004 Nissan Murano. However, it is still accessible from the selected car via links, so may be relevant.

For references to "PG-Power" in wiring diagrams, see POWER DISTRIBUTION in SYSTEM WIRING DIAGRAMS.

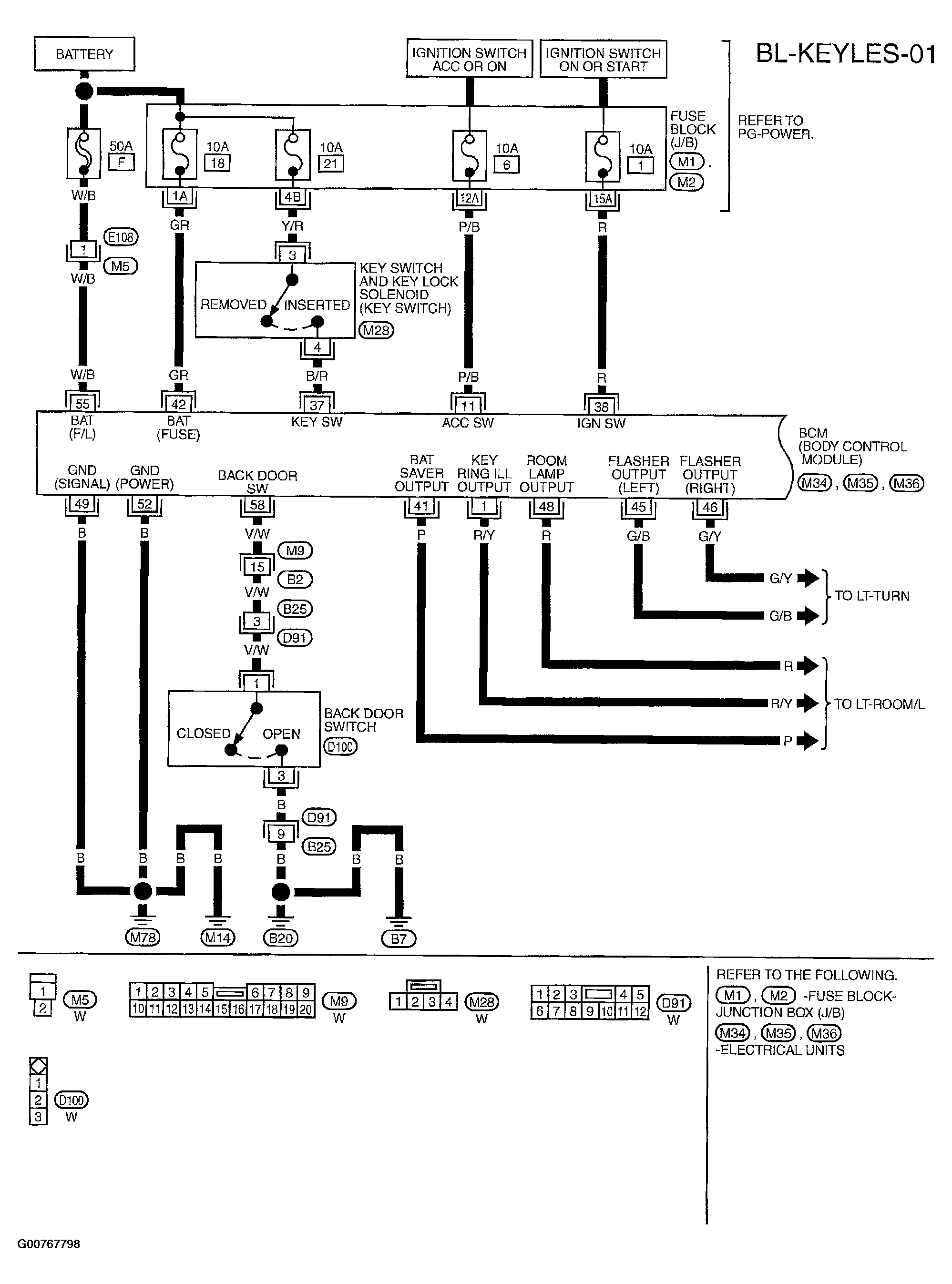
Fig 1: Wiring Diagram - (BL-KEYLESS-01)
G00767798Courtesy of NISSAN MOTOR CO., U.S.A.
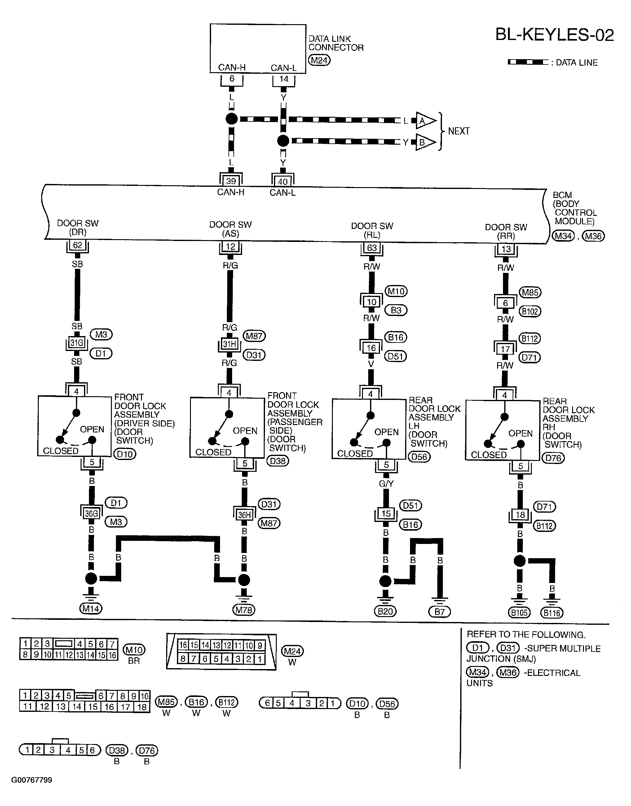
Fig 2: Wiring Diagram - (BL-KEYLESS-02)
G00767799Courtesy of NISSAN MOTOR CO., U.S.A.
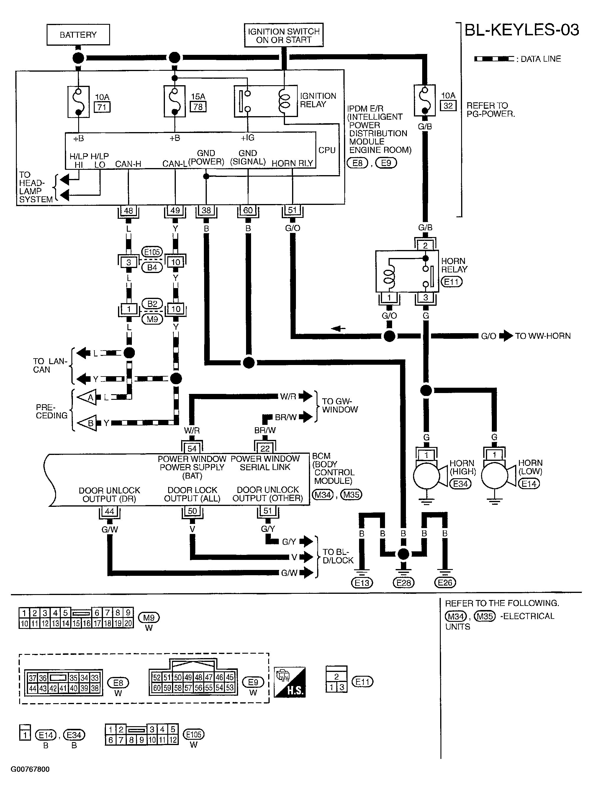
Fig 3: Wiring Diagram - (BL-KEYLESS-03)
G00767800Courtesy of NISSAN MOTOR CO., U.S.A.